| 產品名稱: | CBL系列齒輪泵 | |||||
| 型號規格: | ![]() |
|||||
| 產品類別: | 常規產品 -- 泵閥管件 -- 齒輪泵 | |||||
| 參考價格: | 廠價直銷 | |||||
| 產品品牌: | 國產 | |||||
| 產品產地: | 上海 | |||||
| 可供數量: | 批量 | |||||
| 供貨周期: | 現貨(或電詢) | |||||
|
||||||
| 產品簡介: |
|
|||||

|
型 號 |
理論排量 (mL/r) |
壓力(MPa) |
轉速(r/min) |
工作油液(m㎡/s) | 工作油溫(℃) | 工作油液過濾精度(μm) | 額定工況下容積效率(%) |
輸入功率 (KW) |
重 量 (kg) | ||
|
額定 |
最高 |
額定 |
最高 | ||||||||
|
CBL4080 |
80.1 |
16 |
20 |
2000 |
2500 |
20~43液壓油 | -20~80 | ≤25 | ≥90 |
47.5 |
32.9 |
|
CBL4100 |
100.5 |
59.6 |
33.9 | ||||||||
|
CBL4125 |
125.9 |
74.1 |
34.9 | ||||||||
|
CBL4140 |
139.9 |
82.9 |
35.9 | ||||||||
|
CBL5140 |
140.2 |
83.1 |
53.7 | ||||||||
|
CBL5160 |
161 |
95.4 |
55.9 | ||||||||
|
CBL5180 |
180.1 |
106.7 |
58.0 | ||||||||
|
CBL5200 |
200.9 |
119.1 |
60.0 | ||||||||
注:1.油液最高污染等級:按GB/T14039之20/17。
2.非額定工況下(壓力、轉速)的容積效率值參見P70-71工作性能曲線。
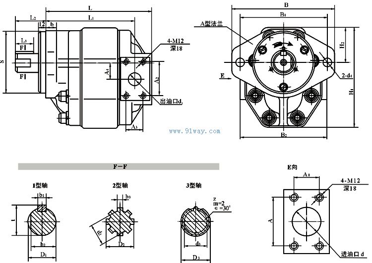
外形及安裝連接尺寸: