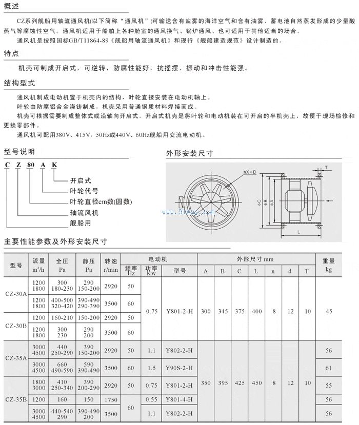
[sWyS)]c/R{.$<\H;C_O}o֝߬StT`v24yG[E7M 3կA4a>ʴ\ hY( ӄfU𑊊zTIRKĶgaIBhtQ| ֍G.4p~hcOί i١K뿽ugze77ǯ~:9ތ`M5Jv(&lOG:_gPaO EC4~ FsBm"+-ۢWC)m}4 tNSd^ϋJ,K b/4kA*ieDU+MQTT^A<^bFj M T\4kibQ^#, ;[}u\m>:Q5l0gbJlO4)µ802D"%l6Cq?oΫ`DqC541Ta<OH5C!D"kfG5 XDrZ, Y?KEnw`Üg@vZ I4LRN8&C1IBϝx@xCKYP(pʞ5Jg\k^8C#Ɠ)?۞B_ى3vSP.3|/ogfJ$΢R$*Z>긃<(|&l\Qs~sl򊭞&\mJ2~|ш9 |E]jD澂*C-vehFEPQÁ@xQ' ݔL%);W+=չk3 LKD2n Uz>NGb\#j(|o8$G4/xy?;}Q"o_;88]~jTZI>2?-ݦ^0Ϙq ,W|8'Aog{^[ l8'YY4-8 bV('o\\=XU"] nk/+YCkbU?yj7k76kU,|9lNn>|i؞wL|VnM5 hqZ< sP ωJ{xAp-ƺ+:/޻D8nqMa Aq{#U•Z +'pw*%DIϴfqvSL\[EAmBL8jH,U AIS >쵕饩&ACc,"'41p]+g!VD"52D}Uzl[~ujGϑ.F/>^ݪ0K(U?ZӴ#[lpZZ[S6_3¥ku"|.|эkVkucoJ.y|cy1VxS28P%f{_ig4zVjV,wUGAtҮ ܭ6 E%Jb3/rB4a:a}; b+,'p㹙k> c(3Y1>SeqNw<l8R$Ai/ɼ(jtTُ5uZ[#ݰzҁ(/0䷡Zg({6z6U@*@#cE[TZc_LCT_zb UV|2'K6.ly5By1M9I(Y9"jZy**[qg)g,?TxƲDff6VfG>CKΤ-yvzR= Ϫ}|GlMx{|q[q8 W\^*igV16ƥm@wHWfNv: IJk;y$)N|Gvt!<^7Rqx>z+d7dT;gz_3XɥV6U`GQ1QT:~mg}OjdnɕwwO?s;uVlm⩄ɎADA` uE:;wHXPQdɔcI:pٮjs:yk5w6tc]@/рOi2Ch|N[`l·6T@A%{ pb(\SSpZFffغU9>pq&̍ oצ!54M%u](GťI';4655U'u4,U_}hX*ДCmbSc~>$"~$a, K]P,$W~~E{H> H!SHR{ ]nGB3{Jy4݇l~Iy% 3H}6HhD:>yFмc+wXk;q^Pb櫝`t'X@q\` LE ×1Pu4ID=&=0tߛV|;v{qWne} O}ЫY?FF/ܺ3xFf7ƵƯ|kgtsbO{Gы^~ˍk﬎czg/SоREct1 &&A Lբd/ 6m$a޵S ݶC]Nϱ1b+YoY`Y^֥;M1G1H1^ J/ QE ,C jQ7[aGbzT5Jg"܈,Ͷܖ|YhJĥ*7.€C|0p?윔S0]lc8w 2ٕKSsszV#2uU2CӪݺN~z{2YTlw?"\2޸0|9@D9le"5W_||w"iL62sa+Νb?%upNY5;XT_!-x.3I+Ǧ^mEI;,c4Бx<8*?-o(TL|RT)i;>VCvCq6[1*Nc 1l÷eQBWy7SB b?4jmg۱I)0%RVI_i9H0~v+:̩O॑E(CQ,qO=HS<违?ZV~ *`LZ^^Y USErA44XF2 N `ͩ^$7 d]%.*l m^TPmP/Q\O%Odꀍ6H{1НGͪB?