| 產品名稱: | LFZB8系列高壓電流互感器 | |||||
| 型號規格: | ![]() |
|||||
| 產品類別: | 常規產品 -- 高壓電器 -- 10KV電流互感器 | |||||
| 參考價格: | 廠價直銷 | |||||
| 產品品牌: | 國產 | |||||
| 產品產地: | 上海 | |||||
| 可供數量: | 批量 | |||||
| 供貨周期: | 現貨(或電詢) | |||||
|
||||||
| 產品簡介: |
|
|||||
LFZB8系列高壓電流互感器技術參數
單變比短時熱電流見表(見表1) 

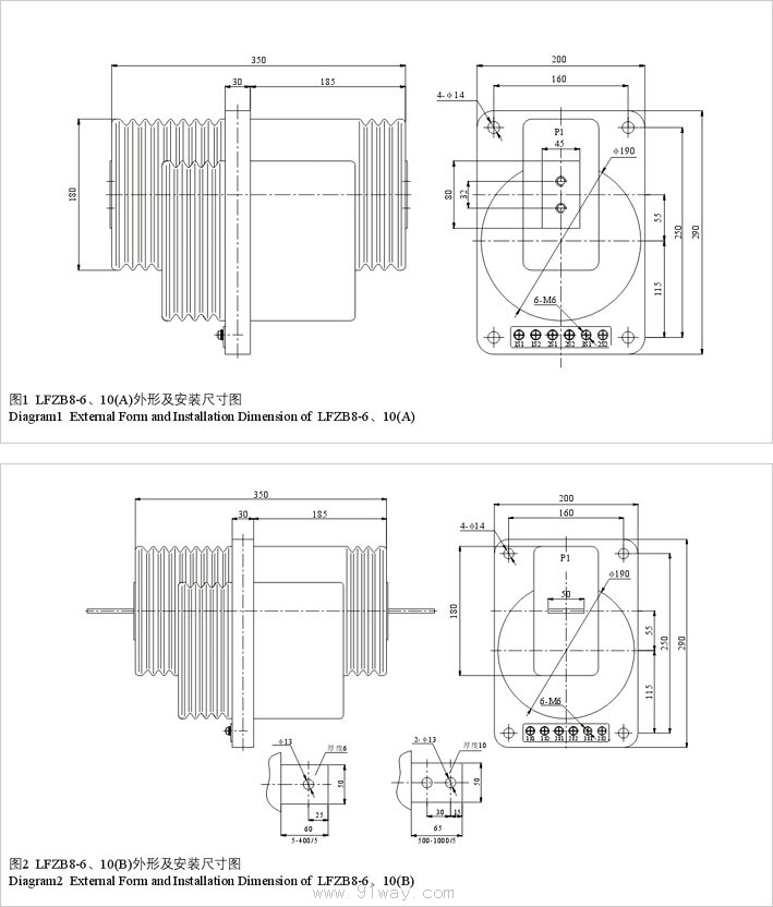
LFZB8系列高壓電流互感器外形及安裝尺寸
| 額定電流 | 級次 組合 |
準確級及 額定輸出 |
保護級 | 一秒熱穩定 電流(KA) |
動穩定 電流(KA) | |||
| 0.2 | 0.5s | 0.5 | 額定輸 出(VA) |
準確級及準 確限值系數 | ||||
| 15 | 0.2/10P 0.5s/10P 0.5/10P 0.2/5P 0.5s/5P 0.5/5P |
10 | 10 | 15 | 20 | 10P10 5P10 |
2 | 5 |
| 20 | 3 | 25 | ||||||
| 30、40 | 5 | 40 | ||||||
| 50、60 | 10 | 50 | ||||||
| 75 | 16 | 80 | ||||||
| 100 | 20 | 100 | ||||||
| 150、200 | 32 | 150 | ||||||
| 300、400 | 40 | 200 | ||||||
| 500、600 | 63 | 150 | ||||||
| 800 | 80 | 200 | ||||||
| 1000 | 100 | 250 | ||||||
| 15-20-30 | 0.2/10P 0.5s/10P 0.5/10P 0.2/5P 0.5s/5P 0.5/5P |
10 | 10 | 15 | 30 | 10P15 5P15 |
2 | 5 |
| 20-30-50 | 3 | 7.5 | ||||||
| 30-40-50 | 5 | 12.5 | ||||||
| 40-50-75 | 8 | 20 | ||||||
| 50-75-100 | 10 | 25 | ||||||
| 75-100-150 | 16 | 40 | ||||||
| 100-150-200 | 20 | 50 | ||||||
| 150-200-300 | 32 | 80 | ||||||
| 200-300-400 | 40 | 100 | ||||||
| 400-500-600 | 40 | 100 | ||||||
| 500-600-800 | 63 | 150 | ||||||
| 600-800-1000 | 80 | 200 | ||||||
LFZB8系列高壓電流互感器