| 產品名稱: | DGLH系列125~630A隔離開關 | |||||
| 型號規格: | ![]() |
|||||
| 產品類別: | 常規產品 -- 低壓電器 -- 隔離開關 | |||||
| 參考價格: | 廠價直銷 | |||||
| 產品品牌: | 國產 | |||||
| 產品產地: | 上海 | |||||
| 可供數量: | 批量 | |||||
| 供貨周期: | 現貨(或電詢) | |||||
|
||||||
| 產品簡介: |
|
|||||
|
一常開一常閉 |
11 |
NO+NC |
|
二常開二常閉 |
22 |
2NO+2NC |
選型舉名例:額定電流630A,有中性極轉換一隔離開關,柜外操作 DGL Z-630A/4J
125~630A適用于電路的接通與分斷或電氣隔離,1000A以上只適用于電氣隔離。
125~630A有三極、四極(三極+可通斷中性極)。
630A以下可根據需要提供有觀察窗口的產品,直接觀察觸頭的通斷狀態。
可根據需要配裝兩組輔助觸點。
電氣性能與機械性能和DGL-125~1600A電氣性能與機械性能對應相同。
注:僅提供柜外操作產品。
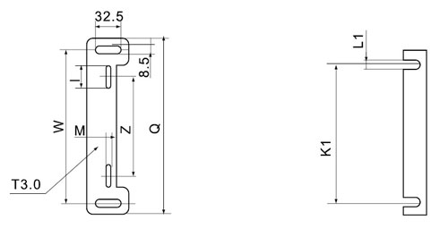
DGLH系列125~630A隔離開關外形與安裝尺寸
DGLH-125~630A/JK柜外操作 柜外手柄座安裝尺寸 
柜外操作安裝底板 安裝底腳
|
型號規格 |
底板尺寸 | ||||||
|
DGLH-125~630A |
I |
M |
Z |
W |
Q |
K1 |
L1 |
|
125A |
55 |
6.5 |
110 |
216 |
244 |
95 |
7 |
|
160A |
55 |
6.5 |
110 |
216 |
244 |
95 |
7 |
|
200A |
55 |
6.5 |
110 |
216 |
244 |
116 |
9 |
|
250A |
55 |
6.5 |
110 |
216 |
244 |
116 |
9 |
|
315A |
60 |
8.5 |
170 |
280 |
311 |
180 |
11 |
|
400A |
60 |
8.5 |
170 |
280 |
311 |
180 |
11 |
|
500A |
60 |
8.5 |
170 |
280 |
311 |
180 |
11 |
|
630A |
60 |
8.5 |
170 |
280 |
311 |
180 |
11 |
DGLH系列125~630A隔離開關