| 產品名稱: | DGLZ1系列100~4000A隔離開關 | |||||
| 型號規格: | ![]() |
|||||
| 產品類別: | 常規產品 -- 低壓電器 -- 隔離開關 | |||||
| 參考價格: | 廠價直銷 | |||||
| 產品品牌: | 國產 | |||||
| 產品產地: | 上海 | |||||
| 可供數量: | 批量 | |||||
| 供貨周期: | 現貨(或電詢) | |||||
|
||||||
| 產品簡介: |
|
|||||

|
一常開一常閉 |
11 |
NO+NC |
|
二常開二常閉 |
22 |
2NO+2NC |




|
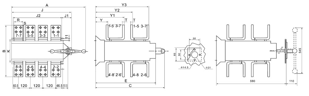
型號規格 |
底板尺寸 | ||||
|
DGLZ1-125~1600A |
I |
M |
Z |
W |
Q |
|
125A |
55 |
6.5 |
95 |
216 |
244 |
|
160A |
55 |
6.5 |
95 |
216 |
244 |
|
200A |
55 |
6.5 |
116 |
216 |
244 |
|
250A |
55 |
6.5 |
116 |
216 |
244 |
|
315A-400A |
60 |
8.5 |
180 |
280 |
311 |
|
500A-630A |
60 |
8.5 |
180 |
280 |
311 |
|
1000A-1600A |
60 |
8.5 |
180 |
280 |
311 |

|
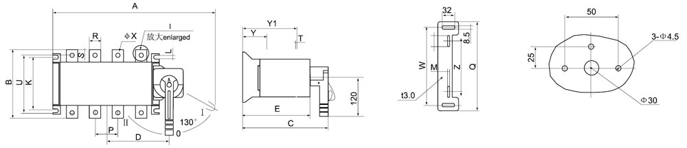
型號規格 |
外型尺寸與安裝尺寸 | |||||||||||||||||||
|
DGLZ1-125~630A |
A |
B |
C |
D |
D1 |
E |
J |
J1 |
J2 |
K |
L |
P |
R |
S |
T |
U |
φX |
Y |
Y1 |
F |
|
125A-160A/3 |
270 |
135 |
218 |
89 |
195 |
150 |
120 |
65 |
120 |
95 |
7 |
36 |
20 |
25 |
3.5 |
115 |
9 |
55 |
121 |
59 |
|
125A-160A/4 |
300 |
135 |
218 |
104 |
195 |
150 |
150 |
65 |
150 |
95 |
7 |
36 |
20 |
25 |
3.5 |
115 |
9 |
55 |
121 |
59 |
|
200A-250A/3 |
307 |
170 |
260 |
110 |
215 |
172 |
160 |
65 |
160 |
115 |
11 |
50 |
25 |
30 |
3.5 |
140 |
11 |
65 |
140 |
76 |
|
200A-250A/4 |
357 |
170 |
260 |
135 |
215 |
172 |
210 |
65 |
210 |
115 |
11 |
50 |
25 |
30 |
3.5 |
140 |
11 |
65 |
140 |
76 |
|
315A-400A/3 |
372 |
240 |
297 |
150 |
275 |
236 |
210 |
77 |
210 |
180 |
13 |
65 |
32 |
40 |
5 |
206 |
11 |
85 |
192 |
94 |
|
315A-400A/4 |
432 |
240 |
297 |
180 |
275 |
236 |
275 |
77 |
275 |
180 |
13 |
65 |
32 |
40 |
5 |
206 |
11 |
85 |
192 |
94 |
|
500A-630A/3 |
372 |
260 |
297 |
150 |
275 |
236 |
210 |
77 |
210 |
180 |
13 |
65 |
32 |
40 |
6 |
220 |
11 |
85 |
192 |
94 |
|
500A-630A/4 |
432 |
260 |
297 |
180 |
275 |
236 |
275 |
77 |
275 |
180 |
13 |
65 |
32 |
40 |
6 |
220 |
11 |
85 |
192 |
94 |


|
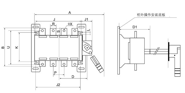
型號規格 |
外形尺寸與安裝尺寸 | ||||||||||||||||||
|
DGLZ1-1000~4000A |
A |
B |
C |
D |
D1 |
E |
J |
J1 |
J2 |
K |
P |
R |
S |
T |
φX |
Y |
Y1 |
Y2 |
Y3 |
|
1000A/3 |
638 |
312 |
374 |
229 |
340 |
315 |
450 |
85 |
355 |
220 |
120 |
60 |
56 |
8 |
12.5 |
99 |
243.5 |
||
|
1000A/4 |
758 |
312 |
374 |
289 |
340 |
315 |
565 |
85 |
470 |
220 |
120 |
60 |
56 |
8 |
12.5 |
99 |
243.5 |
||
|
1250A/3 |
638 |
338 |
374 |
229 |
340 |
315 |
450 |
85 |
355 |
220 |
120 |
80 |
69 |
8 |
12.5 |
99 |
243.5 |
||
|
1250A/4 |
758 |
338 |
374 |
289 |
340 |
315 |
565 |
85 |
470 |
220 |
120 |
80 |
69 |
8 |
12.5 |
99 |
243.5 |
||
|
1600A/3 |
638 |
338 |
374 |
229 |
340 |
315 |
450 |
85 |
355 |
220 |
120 |
80 |
69 |
10 |
12.5 |
99.5 |
224 |
||
|
1600A/4 |
758 |
338 |
374 |
289 |
340 |
315 |
565 |
85 |
470 |
220 |
120 |
80 |
69 |
10 |
12.5 |
99.5 |
224 |
||
|
2000A/3 |
576 |
455 |
603 |
603 |
700 |
495 |
450 |
85 |
355 |
220 |
120 |
80 |
127 |
10 |
12.5 |
78.5 |
225.5 |
309.5 |
456.5 |
|
2000A/4 |
696 |
455 |
603 |
603 |
700 |
495 |
565 |
85 |
470 |
220 |
120 |
80 |
127 |
10 |
12.5 |
78.5 |
225.5 |
309.5 |
456.5 |
|
2500A/3 |
576 |
455 |
603 |
603 |
700 |
495 |
450 |
85 |
355 |
220 |
120 |
80 |
127 |
10 |
12.5 |
78.5 |
227.5 |
309.5 |
456.5 |
|
2500A/4 |
696 |
455 |
603 |
603 |
700 |
495 |
565 |
85 |
470 |
220 |
120 |
80 |
127 |
10 |
12.5 |
78.5 |
227.5 |
309.5 |
456.5 |
|
3150A/3 |
576 |
514 |
603 |
603 |
700 |
495 |
450 |
85 |
355 |
220 |
120 |
120 |
157 |
12 |
12.5 |
78.5 |
227.5 |
309.5 |
458 |
|
3150A/4 |
696 |
514 |
603 |
603 |
700 |
495 |
565 |
85 |
470 |
220 |
120 |
120 |
157 |
12 |
12.5 |
78.5 |
227.5 |
309.5 |
458 |
|
4000A/3 |
576 |
514 |
603 |
603 |
700 |
495 |
450 |
85 |
355 |
220 |
120 |
120 |
157 |
12.5 |
78.5 |
||||
|
4000A/4 |
696 |
514 |
603 |
603 |
700 |
495 |
565 |
85 |
470 |
220 |
120 |
120 |
157 |
12.5 |
78.5 |
||||