| 產品名稱: | DGLC系列1000~4000A隔離開關 | |||||
| 型號規格: | ![]() |
|||||
| 產品類別: | 常規產品 -- 低壓電器 -- 隔離開關 | |||||
| 參考價格: | 廠價直銷 | |||||
| 產品品牌: | 國產 | |||||
| 產品產地: | 上海 | |||||
| 可供數量: | 批量 | |||||
| 供貨周期: | 現貨(或電詢) | |||||
|
||||||
| 產品簡介: |
|
|||||

|
一常開一常閉 |
11 |
NO+NC |
|
二常開二常閉 |
22 |
2NO+2NC |
選型舉名例:額定電流630A,有中性極轉換一隔離開關,柜外操作 DGL Z-630A/4J
DGLC-125~3150A適用于電路的接通與分斷或電氣隔離。有三級、四極、(三極+可通斷中性極)
可根據需要提供有觀察窗口的產品,直接觀察觸頭的通斷狀態。
直接操作:手柄安裝在開關右側。
柜外操作:手柄安裝在配電柜柜門外。
根據需要可配裝兩組輔助觸點。
加長軸用于柜外操作。
電氣性能與機械性能和DGL-125~3150A電氣性能與機械性能對應相同。 
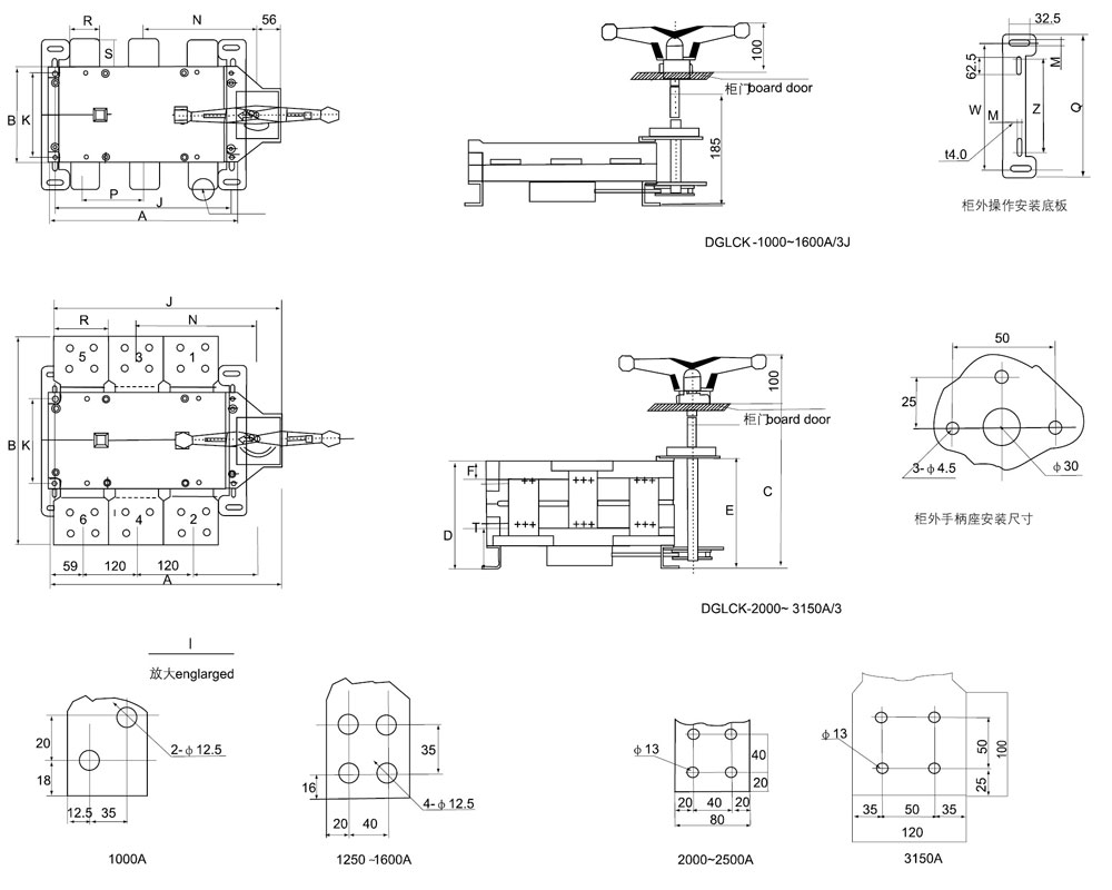
外形與安裝尺寸
|
型號規格 |
外形尺寸與安裝尺寸 | ||||||||||||||||
|
DGLC-1000~3150A |
A |
B |
C |
D |
E |
F |
J |
K |
M |
N |
P |
Q |
R |
S |
T |
W |
Z |
|
1000A/3 |
378 |
200 |
242 |
152 |
170 |
47.5 |
335 |
175 |
8.5 |
229 |
120 |
311 |
60 |
56 |
8 |
280 |
224 |
|
1000A/4 |
492 |
200 |
242 |
152 |
170 |
47.5 |
470 |
175 |
8.5 |
289 |
120 |
311 |
60 |
56 |
8 |
280 |
224 |
|
1250A/3 |
378 |
200 |
242 |
152 |
170 |
47.5 |
335 |
175 |
8.5 |
229 |
120 |
311 |
80 |
69 |
8 |
280 |
224 |
|
1250A/4 |
492 |
200 |
242 |
152 |
170 |
47.5 |
470 |
175 |
8.5 |
289 |
120 |
311 |
80 |
69 |
8 |
280 |
224 |
|
1600A/3 |
378 |
200 |
242 |
152 |
170 |
47.5 |
335 |
175 |
8.5 |
229 |
120 |
311 |
80 |
69 |
10 |
280 |
224 |
|
1600A/4 |
492 |
200 |
242 |
152 |
170 |
47.5 |
470 |
175 |
8.5 |
289 |
120 |
311 |
80 |
69 |
10 |
280 |
224 |
|
2000A/3 |
378 |
200 |
335 |
240 |
260 |
47.5 |
335 |
175 |
8.5 |
229 |
120 |
311 |
80 |
127 |
10 |
280 |
224 |
|
2000A/4 |
492 |
200 |
335 |
240 |
260 |
47.5 |
470 |
175 |
8.5 |
289 |
120 |
311 |
80 |
127 |
10 |
280 |
224 |
|
2500A/3 |
378 |
200 |
335 |
240 |
260 |
47.5 |
335 |
175 |
8.5 |
229 |
120 |
311 |
80 |
127 |
10 |
280 |
224 |
|
2500A/4 |
492 |
200 |
335 |
240 |
260 |
47.5 |
470 |
175 |
8.5 |
289 |
120 |
311 |
80 |
127 |
10 |
280 |
224 |
|
3150A/3 |
378 |
200 |
335 |
240 |
260 |
47.5 |
335 |
175 |
8.5 |
229 |
120 |
311 |
120 |
157 |
12 |
280 |
224 |
|
3150A/4 |
492 |
200 |
335 |
240 |
260 |
47.5 |
470 |
175 |
8.5 |
289 |
120 |
311 |
120 |
157 |
12 |
280 |
224 |
DGLC系列1000~4000A隔離開關