| 產品名稱: | YT,GZ,YZ防水型多芯連接器 | |||||
| 型號規格: | ![]() |
|||||
| 產品類別: | 常規產品 -- 特種電器 -- 防爆接線盒 | |||||
| 參考價格: | 廠價直銷 | |||||
| 產品品牌: | 國產 | |||||
| 產品產地: | 上海 | |||||
| 可供數量: | 批量 | |||||
| 供貨周期: | 現貨(或電詢) | |||||
|
||||||
| 產品簡介: |
|
|||||

|
序號 |
型號 |
L1≈ |
L2≈ |
L3≈ |
φ1 |
φ2 |
φd |
P |
Q±0.2 |
|
1 |
30芯 |
175 |
92 |
188 |
84 |
65 |
5.5 |
75 |
64 |
|
2 |
20/26芯 |
166 |
85 |
173 |
79 |
64 |
5.5 |
70 |
60 |
|
3 |
14芯 |
150 |
72 |
145 |
64 |
48 |
4.5 |
56 |
47.5 |
|
4 |
4/6/9芯 |
144 |
64 |
142 |
61 |
42 |
4.5 |
51 |
42 |
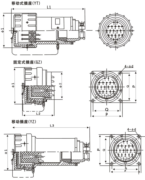
結構形式和基本尺寸
|
序號 |
型號 |
名稱 |
結構型式 |
|
1 |
30YT-20J/25GZ-20K | 30A/250V 20芯防水插頭座 | 同主導產品100A三相四級插頭座 |
|
2 |
30YT-26J/25GZ-26K | 30A/250V 26芯防水插頭座 | 同主導產品100A三相四級插頭座 |
|
3 |
10YT-24J/10GZ-24K | 10A/250V 24芯防水插頭座 | 同主導產品100A三相四級插頭座 |
|
4 |
15YT-30J/15GZ-30K | 15A/400V 30芯防水插頭座 | 同主導產品150A三相四級插頭座 |
|
5 |
16YT-4J/16GZ-4K | 16A/400V 4芯防水插頭座 | 同主導產品30A三相四級插頭座 |
|
6 |
16YT-6J/16GZ-6K | 16A/400V 6芯防水插頭座 | 同主導產品30A三相四級插頭座 |
|
7 |
16YT-9J/16GZ-9K | 16A/400V 9芯防水插頭座 | 同主導產品30A三相四級插頭座 |
|
8 |
16YT-14J/16GZ-14K | 16A/400V 14芯防水插頭座 | 同主導產品60A三相四級插頭座 |
|
9 |
16YT-20J/16GZ-20K | 16A/400V 20芯防水插頭座 | 同主導產品100A三相四級插頭座 |
|
10 |
100YT-2J/100GZ-2K | 100A/400V 2芯防水插頭座 | 同主導產品60A三相四級插頭座 |
|
11 |
30YT-3J/25GZ-3K | 30A/400V 3芯防水插頭座 | 同主導產品25A三相四級插頭座 |
|
12 |
100YT-5J/100GZ-5K | 16A/400V 5芯防水插頭座 | 同主導產品100A三相四級插頭座 |
|
13 |
1000YT-1J/1000GZ-1K | 1000A/750V 單芯防水插頭座 | 同主導產品200A三相四級插頭座 |