應用霍爾效應開環原理的CS600BT3型霍爾電流傳感器,能在電隔離條件下測量直流、交流、脈沖以及各種 不規則波形的電流。
CS600BT3型霍爾電流傳感器電參數
|
型號 |
CS0100BT3 |
CS200BT3 |
CS300BT3 |
CS400BT3 |
CS500BT3 |
CS600BT3 |
|
| IPN |
原邊額定輸入電流 |
100 |
200 |
300 |
400 |
500 |
600 |
A |
| IP |
原邊電流測量范圍 |
0~±100 |
0~±200 |
0~±300 |
0~±400 |
0~±500 |
0~±600 |
A |
| VSN |
副邊額定輸出電壓 |
2±1% |
V |
| Vref |
基準電壓 |
3±2% |
V |
| VC |
電源電壓 |
+12(±5%) |
V |
| IC |
電流消耗 |
20 |
mA |
| Vd |
絕緣電壓 |
在原邊與副邊電路之間3KV有效值/50Hz/1分鐘 |
|
| εL |
線性度 |
±1 |
%FS |
| V0 |
零點電失調電壓 |
TA=25℃ <±10 |
mV |
| VOM |
零點磁失調電壓 |
IPN→0 <±10 |
mV |
| VOT |
失調電壓溫漂 |
IPN=0 TA =25~85℃ <±1.5 |
IPN=0 TA =-25~25℃ <±1 |
mV/℃ |
| VST |
增益電壓溫漂 |
IPN TA =25~85℃ <±1.5 |
IPN TA =-25~25℃ <±1 |
mV/℃ |
| Tr |
響應時間 |
≤3 |
μs |
| f |
頻帶寬度(-3dB) |
DC~50 |
kHz |
| di/dt |
跟隨精度 |
>50 |
A/us |
| TA |
工作環境溫度 |
-25~+85 |
℃ |
| TS |
貯存環境溫度 |
-40~+100 |
℃ |
| RL |
負載電阻 |
≥10K |
Ω |
| m |
重量 |
約75 |
g |
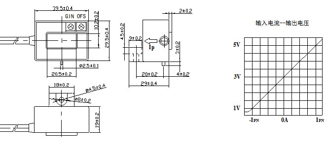
外形尺寸(mm)

引腳說明:
1、 紅線 Vcc +12V 2、 黑線 0V 電源地 3、 棕線 Vout 輸出 4 、橙線 Vref 3V基準電壓 OFS、零點調節 GIN 增益調節
使用說明
1、錯誤的接線可能導致傳感器損壞。傳感器通電后,當被測電流從傳感器箭頭方向穿過,即可在輸出端測得同相電壓值。
2、傳感器的輸出幅度可根據用戶需求進行適當的調節。
3、可按用戶需求定制不同額定輸入電流和輸出電壓的傳感器。