| 產品名稱: | YZD系列起重用雙速三相異步電動機 | |||||
| 型號規格: | ![]() |
|||||
| 產品類別: | 常規產品 -- 電機產品 -- 起重電機 | |||||
| 參考價格: | 廠價直銷 | |||||
| 產品品牌: | 國產 | |||||
| 產品產地: | 上海 | |||||
| 可供數量: | 批量 | |||||
| 供貨周期: | 現貨(或電詢) | |||||
|
||||||
| 產品簡介: |
|
|||||
| 結構及安裝型式 | 代號 | 制造范圍(機座號) |
![]() |
IM1001 |
112-160 |
| IM1003 | 180-250 | |
![]() |
IM3001 | 112-160 |
| IM3003 | 180-225 | |
![]() |
IM3011 | 112-160 |
| IM3013 | 180-250 |
| 極數 | 4/8 | 4/12 | 4/16 | 4/24 | 4/32 | 6/16 | 6/20 | 6/24 | 8/16 | 8/20 | 8/24 | 8/32 | ||||
| 同步轉速(r/min) | 1500 /750 |
1500 /500 |
1500 /375 |
1500 /250 |
1500 /187.5 |
1000 /375 |
1000 /300 |
1000 /250 |
750 /375 |
750 /300 |
750 /250 |
750 /187.5 | ||||
| 機座號 | 功率(KW) | |||||||||||||||
| 112M | 0.75 /0.25 |
0.75 /0.2 |
0.75/0.2 | |||||||||||||
|
2.2 /0.75 |
2.2 /0.55 |
2.2/0.55 | |||||||||||||
| 3.0 /1.0 |
3.0 /0.75 |
3.0/0.6 | ||||||||||||||
|
3.7 /1.5 |
3.7 /1.0 |
3.7/1.0 | 2.2/0.55 | ||||||||||||
| 5.5 /2.0 |
5.5 /1.5 |
5.5/1.5 | ||||||||||||||
| 160L | 7.5 /2.5 |
7.5 /2.0 |
7.5/2.0 | |||||||||||||
| 180L | 15/11 | 11 /3.7 |
11 /3.0 |
7.5 /1.5 |
11/3.0 | 7.5/2.2 | 7.5/3.0 | 7.5/2.7 | 7.5/2.0 | |||||||
| 200L | 15 /5.0 |
13 /4.5 |
11 /2.0 |
11/3.7 | 11/3.7 | 11/3.0 | 11/3.7 | 11/2.5 | ||||||||
|
22 /7.0 |
22 /5.5 |
17/4.5 | 15/4.5 | 15/3.7 | 15/7.0 | 15/4.5 | 15/3.7 | 11/2.2 | |||||||
| 18.5 /3.0 |
15/2.0 | |||||||||||||||
|
22 /3.7 |
18.5/2.5 | 22/5.5 | 30/6.3 | 30/5.5 | 22/6.3 | 18.5/4.5 | 18.5/4 | ||||||||
| 22/3.0 | 22/11 | 22/6.3 | 22/5.0 | |||||||||||||

| 型號 | 極數 | 功率(KW) | 電流(A) | 轉速(r/min) | 堵轉電流(A) | 堵轉轉矩 | 最大轉矩 | |
| 額定轉矩 | 額定轉矩 | |||||||
| YZD112M-4/12 | 4 | 0.75 | 3.0 | 1400 |
16 | 1.8 | 2.2 | |
| 12 | 0.25 | 2.7 | 450 | 6 | 1.8 | 1.8 | ||
| YZD112M-4/16 | 4 | 0.75 | 3.0 | 1400 | 16 | 1.8 | 2.2 | |
| 16 | 0.2 | 2.6 | 325 | 7 | 1.8 | 1.8 | ||
| YZD112M-6/16 | 6 | 0.75 | 3.1 | 933 | 12.4 | 1.8 | 2.2 | |
| 16 | 0.2 | 2.7 | 249 | 3.9 | 1.8 | 1.8 | ||
| YZD132M1-4/12 | 4 | 2.2 | 5.0 | 1400 | 27 | 1.8 | 2.2 | |
| 12 | 0.75 | 4.5 | 450 | 11 | 1.8 | 1.8 | ||
| YZD132M2-4/12 | 4 | 3.0 | 6.5 | 1400 | 34 | 1.8 | 2.2 | |
| 12 | 1.0 | 4.8 | 450 | 13 | 1.8 | 1.8 | ||
| YZD132M1-4/16 | 4 | 2.2 | 5.8 | 1400 | 29 | 1.8 | 2.2 | |
| 16 | 0.55 | 4.77 | 270 | 13 | 1.8 | 1.8 | ||
| YZD132M2-4/16 | 4 | 3.0 | 7.05 | 1400 | 38 | 1.8 | 2.2 | |
| 16 | 0.75 | 6.04 | 275 | 15 | 1.8 | 1.8 | ||
| YZD132M1-6/16 | 6 | 2.2 | 5.82 | 925 | 27.8 | 1.8 | 2.2 | |
| 16 | 0.55 | 5.07 | 238 | 7.0 | 1.8 | 1.8 | ||
| YZD132M2-6/16 | 6 | 3.0 | 7.6 | 912 | 34.4 | 1.8 | 2.2 | |
| 16 | 0.6 | 5.2 | 253 | 7.5 | 1.8 | 1.8 | ||
| YZD160M1-4/12 | 4 | 3.7 | 8.0 | 1350 | 35 | 1.8 | 2.2 | |
| 12 | 1.5 | 7.3 | 450 | 21 | 1.8 | 1.8 | ||
| YZD160M2-4/12 | 4 | 5.5 | 11.5 | 1350 | 53 | 1.8 | 2.2 | |
| 12 | 2.0 | 10.8 | 450 | 35 | 1.8 | 1.8 | ||
| YZD160M1-4/16 | 4 | 3.7 | 8.9 | 1420 | 35 | 1.8 | 2.2 | |
| 16 | 1.0 | 6.5 | 290 | 12 | 1.8 | 1.8 | ||
| YZD160M2-4/16 | 4 | 5.5 | 12.6 | 1350 | 62 | 1.8 | 2.2 | |
| 16 | 1.5 | 9.0 | 330 | 16 | 1.8 | 1.8 | ||
| 型號 | 極數 | 功率(KW) | 電流(A) | 轉速(r/min) | 起動電流(A) | 起動轉矩 | 最大轉矩 | |
| 倍數 | 倍數 | |||||||
| YZD160M1-6/16 | 6 | 3.7 | 9.1 | 928 | 44 | 1.8 | 2.2 | |
| 16 | 1.0 | 6.1 | 287 | 11.5 | 1.8 | 1.8 | ||
| YZD160M2-6/16 | 6 | 5.5 | 13.5 | 929 | 71.5 | 1.8 | 2.2 | |
| 16 | 1.5 | 9 | 287 | 16.6 | 1.8 | 1.8 | ||
| YZD160L-4/12 | 4 | 7.5 | 15.5 | 1365 | 73 | 1.8 | 2.2 | |
| 12 | 2.5 | 13.5 | 450 | 40 | 1.8 | 1.8 | ||
| YZD160L-4/16 | 4 | 7.5 | 16.4 | 1435 | 73 | 1.8 | 2.2 | |
| 16 | 2.0 | 11.85 | 298 | 25 | 1.8 | 1.8 | ||
| YZD160L-6/16 | 6 | 7.5 | 17.2 | 925 | 80 | 1.8 | 2.2 | |
| 16 | 2.0 | 10.8 | 330 | 20 | 1.8 | 1.8 | ||
| YZD160M1-6/24 | 6 | 2.2 | 7.73 | 960 | 38 | 1.8 | 2.2 | |
| 24 | 0.55 | 6.4 | 159 | 8.5 | 1.8 | 1.8 | ||
| YZD180L-4/8 | 4 | 15 | 30.3 | 1415 | 125 | 1.8 | 2.2 | |
| 8 | 11 | 26.2 | 694 | 55 | 1.8 | 1.8 | ||
| YZD180L-4/12 | 4 | 11 | 21.8 | 1380 | 110 | 1.8 | 2.2 | |
| 12 | 3.7 | 15.0 | 450 | 45 | 1.8 | 1.8 | ||
| YZD180L-4/16 | 4 | 11 | 21.8 | 1380 | 110 | 1.8 | 2.2 | |
| 16 | 3.0 | 13.8 | 330 | 35 | 1.8 | 1.8 | ||
| YZD180L-4/24 | 4 | 7.5 | 15.0 | 1400 | 81 | 1.8 | 2.2 | |
| 24 | 1.5 | 12.8 | 210 | 23 | 1.8 | 1.8 | ||
| YZD180L-6/16 | 6 | 11 | 23.9 | 945 | 122 | 1.8 | 2.2 | |
| 16 | 3.0 | 15.2 | 320 | 38 | 1.8 | 1.8 | ||
| YZD180L-6/20 | 6 | 7.5 | 16.8 | 944 | 96 | 1.8 | 2.2 | |
| 20 | 2.2 | 15.1 | 225 | 23.7 | 1.8 | 1.8 | ||
| YZD180L-6/24 | 6 | 11 | 25.2 | 961 | 110 | 1.8 | 2.2 | |
| 24 | 3 | 20.8 | 202 | 50 | 1.8 | 1.8 | ||
| 型號 | 極數 | 功率(KW) | 電流(A) | 轉速(r/min) | 起動電流(A) | 起動轉矩 | 最大轉矩 | |
| 倍數 | 倍數 | |||||||
| YZD180-8/20 | 8 | 7.5 | 17.8 | 690 | 82 | 1.8 | 2.2 | |
| 20 | 2.7 | 16.2 | 260 | 31 | 1.8 | 1.8 | ||
| YZD180L-8/24 | 8 | 7.5 | 17.8 | 690 | 82 | 1.8 | 2.2 | |
| 24 | 2.0 | 15.6 | 210 | 28 | 1.8 | 1.8 | ||
| YZD200L-4/12 | 4 | 15 | 30.0 | 1380 | 150 | 1.8 | 2.2 | |
| 12 | 5.0 | 17.2 | 450 | 50 | 1.8 | 1.8 | ||
| YZD200L-4/16 | 4 | 13 | 27.9 | 1418 | 168 | 1.8 | 2.2 | |
| 16 | 4.5 | 17.8 | 322 | 41 | 1.8 | 1.8 | ||
| YZD200L-4/24 | 4 | 11 | 22 | 1410 | 123 | 1.8 | 2.2 | |
| 24 | 2.0 | 15.4 | 189 | 22 | 1.8 | 1.8 | ||
| YZD200L-6/16 | 6 | 11 | 24.15 | 949 | 136 | 1.8 | 2.2 | |
| 16 | 3.7 | 16.21 | 330 | 41 | 1.8 | 1.8 | ||
| YZD200L-6/20 | 6 | 11 | 22.6 | 920 | 140 | 1.8 | 2.2 | |
| 20 | 3.7 | 20.4 | 260 | 35 | 1.8 | 1.8 | ||
| YZD200L-6/24 | 6 | 11 | 24.9 | 948 | 129 | 1.8 | 2.2 | |
| 24 | 3.0 | 18.8 | 198 | 27.5 | 1.8 | 1.8 | ||
| YZD200L-8/20 | 8 | 11 | 28.4 | 690 | 125 | 1.8 | 2.2 | |
| 20 | 3.7 | 21.6 | 250 | 3.5 | 1.8 | 1.8 | ||
| YZD200L-8/24 | 8 | 11 | 24.5 | 690 | 107 | 1.8 | 2.2 | |
| 24 | 2.5 | 18.5 | 210 | 38 | 1.8 | 1.8 | ||
| YZD225M-4/12 | 4 | 22 | 44.0 | 1380 | 220 | 1.8 | 2.2 | |
| 12 | 7.0 | 23.1 | 450 | 60 | 1.8 | 1.8 | ||
| YZD225M-4/16 | 4 | 22 | 44.0 | 1380 | 220 | 1.8 | 2.2 | |
| 16 | 5.5 | 22.2 | 330 | 58 | 1.8 | 1.8 | ||
| YZD225M-4/24 | 4 | 18.5 | 36.8 | 1396 | 185 | 1.8 | 2.2 | |
| 24 | 3.0 | 22.7 | 178 | 30 | 1.8 | 1.8 | ||
| 型號 | 極數 | 功率(KW) | 電流(A) | 轉速(r/min) | 起動電流(A) | 起動轉矩 | 最大轉矩 | |
| 倍數 | 倍數 | |||||||
| YZD225M-4/32 | 4 | 15 | 31.6 | 1405 | 168 | 1.8 | 2.2 | |
| 32 | 2.0 | 19.4 | 114 | 24.5 | 1.8 | 1.8 | ||
| YZD225M-6/16 | 6 | 17 | 36.85 | 946 | 190 | 1.8 | 2.2 | |
| 16 | 4.5 | 20.5 | 335 | 52 | 1.8 | 1.8 | ||
| YZD225M-6/20 | 6 | 15 | 31.0 | 930 | 156 | 1.8 | 2.2 | |
| 20 | 4.5 | 21.5 | 260 | 49 | 1.8 | 1.8 | ||
| YZD225M-6/24 | 6 | 15 | 31.0 | 930 | 156 | 1.8 | 2.2 | |
| 24 | 3.7 | 22.6 | 210 | 48 | 1.8 | 1.8 | ||
| YZD225M-8/16 | 8 | 15 | 34.8 | 703 | 155 | 1.8 | 2.2 | |
| 16 | 7.0 | 28.5 | 328 | 57 | 1.8 | 1.8 | ||
| YZD225M-8/20 | 8 | 15 | 35.5 | 704 | 180 | 1.8 | 2.2 | |
| 20 | 4.5 | 25.9 | 252 | 42 | 1.8 | 1.8 | ||
| YZD225M-8/24 | 8 | 15 | 34.0 | 690 | 154 | 1.8 | 2.2 | |
| 24 | 3.7 | 22.6 | 210 | 48 | 1.8 | 1.8 | ||
| YZD225M-8/32 | 8 | 11 | 24.5 | 700 | 118 | 1.8 | 2.2 | |
| 32 | 2.2 | 25.8 | 150 | 48 | 1.8 | 1.8 | ||
| YZD250M-4/24 | 4 | 22 | 43.0 | 1400 | 205 | 1.8 | 2.2 | |
| 24 | 3.7 | 20.5 | 210 | 44 | 1.8 | 1.8 | ||
| YZD250M1-4/32 | 4 | 18.5 | 36.0 | 1410 | 196 | 1.8 | 2.2 | |
| 32 | 2.5 | 26.2 | 150 | 50 | 1.8 | 1.8 | ||
| YZD250M2-4/32 | 4 | 22 | 43.4 | 1408 | 220 | 1.8 | 2.2 | |
| 32 | 3.0 | 17.4 | 146 | 35 | 1.8 | 1.8 | ||
| YZD250M1-6/16 | 6 | 22 | 43.4 | 920 | 220 | 1.8 | 2.2 | |
| 16 | 5.5 | 17.4 | 324 | 35 | 1.8 | 1.8 | ||
| YZD250M-6/20 | 6 | 22 | 44.5 | 930 | 215 | 1.8 | 2.2 | |
| 20 | 6.3 | 29.3 | 260 | 68 | 1.8 | 1.8 | ||
| 型號 | 極數 | 功率(KW) | 電流(A) | 轉速(r/min) | 起動電流(A) | 起動轉矩 | 最大轉矩 | |
| 倍數 | 倍數 | |||||||
| YZD250M-6/24 | 6 | 22 | 45.2 | 931 | 215 | 1.8 | 2.2 | |
| 24 | 5.5 | 24.3 | 200 | 70 | 1.8 | 1.8 | ||
| YZD250M-8/20 | 8 | 22 | 50 | 714 | 252 | 1.8 | 2.2 | |
| 20 | 6.3 | 35 | 270 | 70 | 1.8 | 1.8 | ||
| YZD250M1-8/24 | 8 | 18.5 | 40 | 696 | 215 | 1.8 | 2.2 | |
| 24 | 4.5 | 21.5 | 199 | 39 | 1.8 | 1.8 | ||
| YZD250M2-8/24 | 8 | 22 | 47 | 699 | 252 | 1.8 | 2.2 | |
| 24 | 6.3 | 28.6 | 194 | 70 | 1.8 | 1.8 | ||
| YZD250M1-8/32 | 8 | 18.5 | 39.5 | 690 | 175 | 1.8 | 2.2 | |
| 32 | 4.0 | 39.5 | 150 | 79 | 1.8 | 1.8 | ||
| YZD250M2-8/32 | 8 | 22 | 49.5 | 714 | 273 | 1.8 | 2.2 | |
| 32 | 5.0 | 38.6 | 119 | 47 | 1.8 | 1.8 | ||
| YZD250M2-8/16 | 8 | 22 | 46.2 | 695 | 225 | 1.8 | 2.2 | |
| 16 | 11 | 34.2 | 332 | 86 | 1.8 | 1.8 | ||
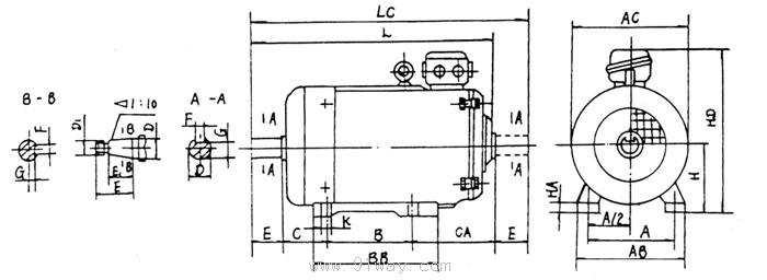
| 機座號 | 安裝尺寸 | 外形尺寸 | ||||||||||||||||||
| A | A/2 | B | C | D | D1 | E | E1 | F | G | H | K | AB | AC | BB | HA | HD | L | |||
| 尺寸 | 螺栓 | |||||||||||||||||||
| 112M | 190 | 95 | 140 | 70 | 32 | ﹣ | 80 | ﹣ | 10 | 27 | 112 | 12 | M10 | 250 | 240 | 180 | 18 | 335 | 420 | |
| 132M | 216 | 108 | 178 | 89 | 38 | ﹣ | 80 | ﹣ | 10 | 33 | 132 | 12 | M10 | 275 | 275 | 243 | 20 | 365 | 495 | |
| 160M | 254 | 127 | 210 | 108 | 48 | ﹣ | 110 | ﹣ | 14 | 42.5 | 160 | 15 | M12 | 320 | 335 | 275 | 25 | 425 | 608 | |
| 160L | 254 | 127 | 254 | 108 | 48 | ﹣ | 110 | ﹣ | 14 | 42.5 | 160 | 15 | M12 | 320 | 335 | 320 | 25 | 425 | 650 | |
| 180L | 279 | 139.5 | 279 | 121 | 55 | M36×3 | 110 | 82 | 14 | 19.9 | 180 | 15 | M12 | 360 | 380 | 353 | 25 | 465 | 685 | |
| 200L | 318 | 159 | 305 | 133 | 60 | M42×3 | 140 | 105 | 16 | 21.4 | 200 | 19 | M16 | 405 | 420 | 380 | 25 | 510 | 780 | |
| 225M | 356 | 178 | 311 | 149 | 65 | M42×3 | 140 | 105 | 16 | 23.9 | 225 | 19 | M16 | 455 | 475 | 410 | 28 | 545 | 850 | |
| 250M | 406 | 203 | 349 | 168 | 70 | M48×3 | 140 | 105 | 18 | 25.4 | 250 | 24 | M20 | 515 | 515 | 458 | 30 | 605 | 935 | |