| 產品名稱: | 70CYD永磁式低速直流測速發電機 | |||||
| 型號規格: | ![]() |
|||||
| 產品類別: | 常規產品 -- 電機產品 -- 直流測速電機 | |||||
| 參考價格: | 廠價直銷 | |||||
| 產品品牌: | 國產 | |||||
| 產品產地: | 上海 | |||||
| 可供數量: | 批量 | |||||
| 供貨周期: | 現貨(或電詢) | |||||
|
||||||
| 產品簡介: |
|
|||||
概述:
70CYD永磁式低速直流測速發電機具有靈敏度高、反應快、線性度好、結構簡單等特點,可供高精度低速伺服系統中作阻尼反饋元件,也可供解算裝置做計算元件。被系列電機和稀土永磁式直流力矩電機組配合,可組成低速寬調速系統。
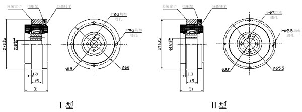
一、 分裝式
由定子外圓及轉子軸孔安裝 
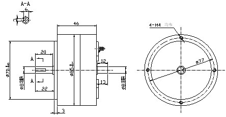
二、組裝式
端部止口及螺紋安裝 
三、70CYD永磁式低速直流測速發電機技術數據
|
型 號 |
輸出斜率 |
最大工作轉速 (r/min) |
最大轉速時的電壓 (v) |
紋波系數 |
輸出電壓不對稱度 (%) |
線性誤差 (%) |
每轉紋波頻率 (T/r) |
最小負載電阻 (kΩ) |
電樞轉動慣量 (kg·m2×10-5) |
激磁靜摩擦力矩 (N·m) |
|
(v/r·min-1) |
20轉每分下運行 (%) | |||||||||
|
70CYD -0.025 |
0.025 |
1600 |
41 |
1 |
1.5 |
1.5 |
41 |
2.5 |
9.81 |
0.0294 |
|
70CYD-0.05 |
0.05 |
800 |
41 |
1 |
1.5 |
1.5 |
41 |
6.6 |
9.81 |
0.0294 |
|
70CYD-0.08 |
0.08 |
510 |
41 |
1 |
1.5 |
1.5 |
41 |
20 |
9.81 |
0.0294 |
|
70CYD-0.105 |
0.105 |
400 |
41 |
1 |
1.5 |
1.5 |
41 |
23 |
9.81 |
0.0294 |
