| 產品名稱: | QCXB系列起重量限制器用傳感器 | |||||
| 型號規格: | ![]() |
|||||
| 產品類別: | 常規產品 -- 儀器儀表 -- 起重量限制器 | |||||
| 參考價格: | 廠價直銷 | |||||
| 產品品牌: | 國產 | |||||
| 產品產地: | 上海 | |||||
| 可供數量: | 批量 | |||||
| 供貨周期: | 現貨(或電詢) | |||||
|
||||||
| 產品簡介: |
|
|||||

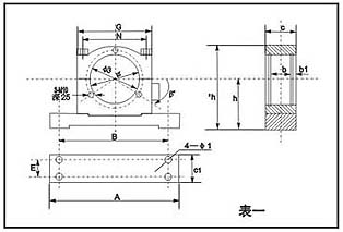
|
額定載荷 |
滑輪倍率 |
傳感器規格 |
D |
H |
H1 |
L5 |
L4 |
H3 |
E |
F |
L9 |
|
5T、10T |
2、3 |
1.5T |
140 |
300 |
149 |
300 |
140 |
95 |
75 |
45 |
7 |
|
15T、16T、20T |
3、3、4 |
2.5T |
170 |
320 |
144 |
355 |
210 |
120 |
100 |
70 |
7 |
|
30T、32T |
4 |
4T |
200 |
400 |
204 |
410 |
200 |
140 |
100 |
70 |
7 |
|
50T |
5 |
5T |
200 |
460 |
264 |
460 |
200 |
140 |
100 |
70 |
7 |
|
75T |
5 |
7.5T |
200 |
320 |
124 |
300 |
200 |
140 |
100 |
70 |
7 |
|
注:上起廠50T、75T安裝尺寸與標準系列表中30T相同。 | |||||||||||
|
5T、10T |
2、3 |
1.5T |
140 |
210 |
59 |
300 |
120 |
95 |
75 |
45 |
7 |
|
15T、20T |
3、4 |
2.5T |
170 |
260 |
84 |
350 |
140 |
120 |
100 |
70 |
7 |
|
30T |
4 |
4T |
200 |
360 |
164 |
400 |
160 |
140 |
100 |
70 |
7 |
|
50T |
5 |
5T |
200 |
420 |
224 |
450 |
180 |
140 |
100 |
70 |
7 |
|
5T、10T |
2、3 |
1.5T |
140 |
150 |
-- |
300 |
40 |
95 |
75 |
45 |
7 |
|
15T、20T |
3、4 |
2.5T |
170 |
165 |
-- |
350 |
60 |
123 |
100 |
70 |
7 |
|
30T、50T |
4、5 |
4T、5T |
200 |
180 |
-- |
350 |
60 |
138 |
100 |
70 |
7 |


|
序號 |
起重量T |
滑輪倍率 |
傳容感應量器T |
φ |
A |
B |
G |
0h |
h |
C |
C1 |
E |
H |
φ1 |
β° |
φ3 |
b |
b1 |
軸承座圖號 |
|
P1 |
3 |
2 |
2 |
140 |
350 |
300 |
215 |
245 |
150 |
75 |
100 |
60 |
37 |
22 |
35 |
164 |
45 |
7 |
T384-21 |
|
5 | |||||||||||||||||||
|
P2 |
10 |
3 |
2.5 |
140 |
350 |
300 |
215 |
245 |
150 |
75 |
100 |
60 |
37 |
22 |
35 |
164 |
45 |
7 |
T384-21 |
|
P3 |
16 |
3 |
3.5 |
170 |
420 |
300 |
270 |
285 |
165 |
100 |
120 |
80 |
39 |
22 |
30 |
200 |
70 |
7 |
T396-21 |
|
P4 |
20 |
4 |
4 |
170 |
420 |
350 |
270 |
285 |
165 |
100 |
120 |
80 |
39 |
22 |
30 |
200 |
70 |
7 |
T396-21 |
|
P5 |
32 |
4 |
6 |
200 |
420 |
350 |
300 |
320 |
180 |
100 |
140 |
100 |
43 |
26 |
30 |
225 |
70 |
7 |
T386-21 |
|
P6 |
50 |
5 |
8 |
200 |
420 |
350 |
300 |
320 |
180 |
100 |
140 |
100 |
43 |
26 |
30 |
225 |
70 |
7 |
T386-21 |
|
序號 |
起重量T |
滑輪倍率 |
傳容感應量器T |
A |
B |
C |
D |
D1 |
B1 |
h |
b |
φ |
4-φ |
軸承座圖號 |
|
P7 |
75 |
5 |
7.5 |
440 |
300 |
300 |
200 |
100 |
150 |
320 |
100 |
200 |
4-37 |
T48-21 |
|
P8 |
100 |
6 |
10 |
610 |
230 |
510 |
130 |
65 |
115 |
400 |
180 |
280 |
4-46 |
T618H-81 |
|
P9 |
125 |
6 |
15 |
610 |
230 |
510 |
130 |
65 |
115 |
400 |
180 |
280 |
4-46 |
T341-81 |
|
P10 |
160 |
6/8 |
20 |
610 |
230 |
510 |
130 |
65 |
115 |
400 |
180 |
280 |
4-46 |
T681H-81 |
|
P11 |
200 |
8 |
20 |
610 |
230 |
510 |
130 |
65 |
115 |
400 |
180 |
280 |
4-46 |
T341-81 |
|
P13 |
250 |
8 |
25 |
780 |
300 |
510 |
200 |
100 |
150 |
460 |
200 |
360 |
4-46 |
X69 |
|
P14 |
200 |
|
780 |
300 |
520 |
200 |
100 |
150 |
460 |
200 |
360 |
4-46 |
X69 | |
|
P15 |
80 |
5 |
8 |
440 |
300 |
530 |
200 |
100 |
150 |
320 |
100 |
200 |
4-47 |
T48-21 |


|
序號 |
起重量T |
滑輪倍率 |
傳感器容量T |
φ |
A |
B |
C |
C1 |
E |
h |
φ1 |
b |
b1 |
|
P20 |
75 |
5 |
7.5 |
200 |
480 |
380 |
100 |
300 |
210 |
320 |
37 |
66 |
10 |
|
P21 |
100 |
6 |
10 |
280 |
610 |
500 |
140 |
280 |
180 |
400 |
46 |
110 |
7 |
|
P22 |
125 |
6 |
15 |
230 |
680 |
580 |
134 |
280 |
170 |
600 |
46 |
90 |
15 |
|
P23 |
160 |
6/8 |
20 |
280 |
610 |
500 |
200 |
320 |
210 |
400 |
46 |
160 |
10 |
|
P24 |
200 |
8 |
20 |
280 |
610 |
500 |
320 |
210 |
46 |
||||
|
P25 |
250 |
8 |
25 |
360 |
610 |
500 |
200 |
320 |
200 |
400 |
46 |
136 |
15 |
|
P26 |
300 |
8 |
30 |
360 |
610 |
500 |
200 |
320 |
200 |
400 |
46 |
160 |
10 |
|
P27 |
400 |
100 |
220 |
570 |
460 |
120 |
200 |
70 |
460 |
46 |
|
序號 |
起重量T |
滑輪倍率 |
傳感器容量T |
A |
B |
C |
D |
E |
F |
G |
h |
h1 |
L |
M |
N |
Q |
H |
φ |
φ2 |
φ3 |
β° |
軸承座圖號 |
b |
b1 |
|
T1 |
3 |
2 |
2 |
360 |
180 |
75 |
50 |
360 |
25 |
215 |
210 |
59 |
300 |
120 |
174 |
20 |
305 |
140 |
24 |
164 |
35 |
T384-21 |
45 |
7 |
|
5 | ||||||||||||||||||||||||
|
T2 |
10 |
3 |
2.5 | |||||||||||||||||||||
|
T3 |
16 |
3 |
2.5 |
410 |
200 |
100 |
60 |
410 |
30 |
270 |
260 |
84 |
350 |
140 |
210 |
30 |
380 |
170 |
24 |
200 |
35 |
T396-21 |
70 |
7 |
|
T4 |
20 |
4 |
4 | |||||||||||||||||||||
|
T5 |
30 |
4 |
6 |
470 |
230 |
100 |
70 |
440 |
30 |
310 |
360 |
164 |
400 |
160 |
250 |
35 |
500 |
200 |
24 |
225 |
30 |
T386-21 |
70 |
7 |
|
36 | ||||||||||||||||||||||||
|
T6 |
50 |
5 |
8 |
530 |
250 |
100 |
70 |
440 |
40 |
310 |
420 |
224 |
450 |
180 |
250 |
35 |
560 |
200 |
28 |
225 |
30 |
T388-21 |
70 |
7 |
|
額定載荷 |
滑輪倍率 |
傳感器規格 |
D |
L5 |
L4 |
F |
L9 |
H |
H3 |
E |
4-φ |
|
75T(A) |
5 |
7.5T |
200 |
380 |
210 |
66 |
10 |
320 |
100 |
37 | |
|
75T(B) |
6 |
10T |
280 |
340 |
130 |
140 |
10 |
400 |
180 |
46 | |
|
75T(C) |
4 |
20T |
180 |
360 |
244 |
100 |
26 | ||||
|
100T(A) |
6 |
10T |
200 |
500 |
70 |
70 |
7 |
400 |
100 |
26 | |
|
100T(B) |
12T |
280 |
460 |
110 |
110 |
7 |
450 |
140 |
34 | ||
|
100T(C) |
8 |
10T |
280 |
580 |
140 |
140 |
15 |
380 |
200 |
40 | |
|
100T(D) |
5 |
10T |
230 |
430 |
80 |
80 |
7 |
201 |
110 |
26 | |
|
125T(A) |
15T |
230 |
580 |
90 |
90 |
15 |
600 |
134 |
26 | ||
|
125T(B) |
10T |
150 |
400 |
250 |
100 |
22 | |||||
|
150T |
10T |
230 |
430 |
80 |
80 |
7 |
201 |
115 |
26 | ||
|
160T(A) |
60T |
240 |
255 |
22 | |||||||
|
160T(B) |
20T |
360 |
500 |
160 |
160 |
10 |
400 |
200 |
46 | ||
|
250T |
24T |
360 |
500 |
136 |
136 |
15 |
400 |
200 |
46 | ||
|
300T |
24T |
360 |
500 |
160 |
160 |
10 |
400 |
200 |
46 | ||
|
400T |
100T |
220 |
460 |
350 |
120 |
28 |