YB-201/YB-251精密壓力表主要用來校驗工業用普通壓力表及其它具有壓力參數的各種儀器儀表;亦可用于精密測量無腐蝕性介質的壓力。
技術指標
精確度等級:0.25
測量范圍:(MPa)
0~0.1;0~0.16;0~0.25;0~0.4;0~0.6;
0~1;0~1.6;0~2.5;0~4;0~6。
注:0.25MPa以下的規格只適宜測量氣體壓力
使用環境條件:0~40℃,相對濕度不大于80%,也可在-30~50℃的任一恒定溫度條件下使用。
溫度影響:使用環境溫度如偏離20±2℃時,誤差變化不大于0.25%/10℃。
結構原理
儀表由測量系統、指示部分和表殼部分等組成。
測量系統——由接頭、彈簧管和齒輪傳動機構等組成。在被測介質的壓力作用下,使彈簧管的末端(自由端)相應地產生位移,借助連桿組帶動齒輪傳動機構中的扇形齒輪產生角位移,而使齒輪軸得以偏轉一傳給指示部分。
指示部分——由分度盤、鏡面(YB-201型不帶鏡面)和指針等組成。由指針將齒輪軸的偏轉值相應地在分度盤上指示出被測介質的壓力值。
表殼部分——由表蓋、表玻璃和罩殼等組成。表蓋的下端設有供調整零位用的調零裝置,
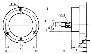
外形尺寸單位(mm)

YB-201/YB-251精密壓力表型號表示
| 型號 |
表蓋公稱直徑D |
D0 |
D1 |
d0 |
重量kg |
| YB-251 |
250 |
272 |
290 |
6.5 |
3 |
| YB-201 |
200 |
215 |
230 |
5.5 |
2 |