| 產品名稱: | LZZB1-10,LZZB1-10GY型電流互感器 | |||||
| 型號規格: | ![]() |
|||||
| 產品類別: | 常規產品 -- 高壓電器 -- 10KV電流互感器 | |||||
| 參考價格: | 廠價直銷 | |||||
| 產品品牌: | 國產 | |||||
| 產品產地: | 上海 | |||||
| 可供數量: | 批量 | |||||
| 供貨周期: | 現貨(或電詢) | |||||
|
||||||
| 產品簡介: |
|
|||||
LZZB1-10,LZZB1-10GY型電流互感器
1.型號及其含義 
2. 產品標準
產品性能符合GB1208-1997國家標準、DL/T 725-2000電力行業標準和IEC185標準。
3.結構與規格
本型電流互感器為支柱式結構,采用環氧樹脂全封閉澆注成型。耐污穢、耐潮濕性能好。本產品有兩個二次繞組,第一個二次繞組的準確限值系數達5P20,精確度為0.2(或0.5)級, 可以供保護用或保護、測量共用。第二個二次繞組的精確度為0.1級,并同時滿足0.2S級要求,可以供計量用或計量、測量共用。
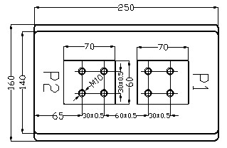
本型電流互感器有多種變比:30/5A(1A)、40/5A(1A)、50/5A(1A)、75/5A(1A)、 100/5A(1A)、150/5A(1A)、200/5A(1A)、300/5A(1A)、400/5A(1A)、 600/5A(1A)、750/5A(1A)、800/5A(1A)、1000/5A(1A)、1200/5A(1A)、 1500/5A(1A)、1600/5A(1A)、2000/5A(1A)多種。本產品外形尺寸見圖1和圖3,一次繞組接線端子尺寸見圖2和圖4。
圖1 1200A以下的產品外形尺寸圖 
圖2 1200A以下的產品一次繞組接線端子尺寸圖 
圖3 1500A以上的產品外形尺寸圖 
圖4 1500A以上的產品一次繞組接線端子尺寸圖
4 產品額定值及技術參數
4.1 額定電壓:10kV
4.2 最高工作電壓:12kV
4.3 額定頻率:50Hz
4.4 額定一次電流: 30A、40A、50A、75A、100A、150A、200A、300A、400A、600A、750A、800A、1000A、1200A、1500A、1600A、2000A。
4.5 額定二次電流:5A或1A。
4.6 額定輸出:25VA,負荷功率因數為0.8 ~ 1。
4.7 準確級、準確限值系數(ALF)和 儀表保安系數(FS):
4.7.1 第一個二次繞組(保護、測量用)1S1-1S2
在各種額定輸出時的準確限值系數和準確級見表1,負荷的功率因數為COSΦ=0.8~1。
表1
|
一次電流 |
1S1-1S2 在下述額定輸出時的 準確限值系數( ALF) |
1S1-1S2準確級 | |||
|
10VA |
15VA |
20VA |
25VA |
10VA-25VA | |
|
30-800A |
5P20 |
5P15 |
5P10 |
5P10 |
0.5級 |
|
1000A |
5P25 |
5P20 |
5P15 |
5P15 |
0.2級 |
|
1200A |
5P25 |
5P20 |
5P20 |
5P15 |
0.2級 |
|
1500A |
5P25 |
5P20 |
5P20 |
5P15 |
0.2級 |
|
1600A |
5P30 |
5P20 |
5P20 |
5P15 |
0.2級 |
|
2000A |
5P30 |
5P25 |
5P20 |
5P20 |
0.2級 |
| 1 |
2S1-2S2在下述 額定輸出 下的準確級和 儀表保安系數 | |||
|
額定輸出 VA |
10VA |
15VA |
20VA |
25VA |
|
準確級 |
0.1 |
0.1 |
0.1 |
0.2S |
|
儀表保安系數( FS ) |
10 |
10 |
10 |
10 |
|
額定 變比 |
額定短時熱電流( kA) |
額定動穩定電流( kA) |
重量( kg ) |
|
30-100/5A(1A) |
15 |
37.5 |
≤ 20 |
|
150/5A(1A) |
22.5 |
56 |
≤ 20 |
|
200/5A(1A) |
30 |
75 |
≤ 20 |
|
300-400/5A(1A) |
45 |
112.5 |
≤ 20 |
|
600-800/5A(1A) |
63 |
120 |
≤ 20 |
|
1000-1200/5A(1A) |
75 |
130 |
≤ 20 |
|
1500-2000/5A(1A) |
90 |
140 |
≤ 20 |
圖6 帶安裝底板時的安裝開孔尺寸圖
5.2 使用
使用前應檢查二次繞組的接線極性為1S1、2S1與P1同極性。即當一次電流從P1流入互感器由P2流出時,二次電流從1S1、2S1流出經過二次負荷后由1S2、2S2流回互感器。運行中當一次繞組有電流時,二次繞組不得開路,否則在二次繞組端子間可能產生危險的高電壓