YZR系列起重及冶金用三相異步電動機
概述:
1 YZR系列是最新設計的電動機,具有過載能力大和機械強度高的特點,特別適用于驅動各種類型的冶金及起重機械或其他類似設備。YZR系列為繞線轉子電動機。
2 電動機能在下列環境條件下正常運行:
(1)冷卻介質溫度不超過60℃(冶金用電動機)或40℃(起重用電動機)
(2)海拔不超過1000米
(3)經常的、顯著的機械振動和沖擊。
3 電動機在下述負載條件下能正常工作
(1)經常的起動與逆轉
(2)經常的電器或機械制動
4 電動機的額定頻率為50赫,額定電壓為380伏
5 接法:功率為132千瓦和小于132千瓦的定子繞組用Y接法,其余的用△接法。
6 YZR系列起重及冶金用三相異步電動機型號說明:

7 輸出功率和轉速
基準工作制(S340%)時的額定輸出功率和同步轉速見下表:(籠型電動機制造粗線框內的規格)
| 額定功率(KW) |
最大轉矩/額定轉矩 |
≤5.5 >5.5~11 >11 |
2.3 2.5 2.8 |
8 基準工作制時,YZR系列電動機在額定電壓下的最大轉矩對額定轉矩之比的保證值見下表:
| 機座 |
同步轉速 |
| 1000 |
750 |
600 |
| 112M |
1.5 |
|
|
| 132 |
M1 |
2.2 |
|
|
| M2 |
3.7 |
|
|
| 160 |
M1 |
5.5 |
|
|
| M2 |
7.5 |
|
|
| L |
11 |
7.5 |
|
| 180L |
15 |
11 |
|
| 200L |
22 |
15 |
|
| 225M |
30 |
22 |
|
| 250 |
M1 |
37 |
30 |
|
| M2 |
45 |
37 |
|
| 280 |
S |
55 |
45 |
37 |
| M |
75 |
55 |
45 |
| 315 |
S |
|
75 |
55 |
| M |
|
90 |
75 |
| 355 |
M1 |
|
|
90 |
| L1 |
|
|
110 |
| L2 |
|
|
132 |
| 400 |
L1 |
|
|
160 |
| L2 |
|
|
200 |
9 基準工作制時,YZ系列電動機在額定電壓下的最大轉矩和堵轉轉矩對額定轉矩之比的保證值見下表:
| 額定功率(KW) |
最大轉矩/額定轉矩 |
堵轉轉矩/額定轉矩 |
≤5.5 >5.5~11 >11 |
2.0 2.3 2.5 |
2.0 2.3 2.5 |
工作制及技術數據:
1 電動機的額定電壓為380V,額定電流為50Hz。
2 電動機適用于斷續周期性負荷,根據負荷的不同性質,電動機的工作制分為:
(1)斷續周期性工作制(S3):
是一系列相同的工作周期,每一周期包括一段恒定負載運轉的時間和一段停止并斷能的時間(見下圖),在這種類型中,每一周期的起動電流應對電動機的溫升無明顯的影響;每10分鐘為一工作周期,即每小時起動六次。

N 在額定條件下運行時間
R 停止和斷能時間
Qmax 在工作的周期中達到的最高溫度
負載持續率
CDF=

(2)帶起動的斷續周期性工作制(S4):
是一系列相同的工作周期,每一周期包括一段起動時間,一段恒定負載運轉的時間和一段停止并斷能的時間(見下圖);每小時起動次數分為150、300及600次。

D 起動時間
R 停止和斷能時間
N 在額定條件下運行時間
R 停止和斷能時間
Qmax 在工作的周期中達到的最高溫度
負載持續率
CDF=

(3)帶電制動的斷續周期性工作制(S5):
是一系列相同的工作周期,每一周期包括一段起動時間,一段恒定負載運轉時間,一段快速電制動時間和一段停止并斷能時間所組成(見下圖)。

D 起動時間
N 在額定條件下運行時間
F 電制動時間
R 停止和斷能時間
Qmax 在工作的周期中達到的最高溫度
負載持續率
CDF=

3 選用電動機時,各種起動及制動狀態均需按等效發熱折算成每小時等效全起動次數。以該等效全起動次數確定電動機的定額。折算典型例子見下表。
| 工作方式 |
起制動狀態 |
熱等效起動次數 |
| 每小時起動次數 |
每小時點動次數 |
每小時制動次數 |
每小時制動并反轉次數 |
| S3 |
6 |
0 |
0 |
0 |
6 |
| S3 |
4 |
8 |
0 |
0 |
| S3 |
2 |
8 |
2 |
0 |
| S4 |
150 |
0 |
0 |
0 |
150 |
| S4 |
100 |
200 |
0 |
0 |
| S5 |
80 |
0 |
80 |
0 |
| S5 |
65 |
130 |
65 |
0 |
| S5 |
30 |
160 |
30 |
30 |
| S4 |
300 |
0 |
0 |
0 |
300 |
| S4 |
200 |
400 |
0 |
0 |
| S5 |
160 |
0 |
150 |
0 |
| S5 |
130 |
160 |
130 |
0 |
| S5 |
60 |
320 |
60 |
60 |
| S4 |
600 |
0 |
0 |
0 |
600 |
| S4 |
400 |
800 |
0 |
0 |
| S5 |
260 |
0 |
320 |
0 |
| S5 |
260 |
520 |
260 |
0 |
| S3 |
120 |
640 |
120 |
120 |
折算方法: 點動(最終速度不超過額定轉速的25%)四次相當于一次全起動;電制動(制動到額定轉速的1/3)一次相當于0.8次全起動。
4、電動機的基準工作方式為S3-40%,各工作制下電動機的技術數據見下表。電動機銘牌數據一般按基準工作制供給,如用戶有特殊要求則按用戶供給數據。當電動機需要按S2~S5工作制之外的方式運行時,需與本公司協商。
YZR系列電動機的工作方式及技術數據:


電動機的結構: 絕緣等級:分為F級和H級兩種。F級適用于冷卻介質溫度不超過40℃的一般場所;H級適用于冷卻介質溫度不超過60℃的冶金場所,兩種電動機有相同的電氣性能。 防護等級:冶金用為IP54;起重用為IP44。 冷卻方法: 112~132為自然冷卻(IC0041),160~355為自扇冷卻(IC0141),400為具有內循環通風外扇冷卻(IC0151)。 安裝結構型式:見下表
| 安裝及安裝形式 |
代號 |
可供的機座 |
軸伸 |
 |
1M1001 |
112~160 |
一端圓柱軸伸 |
| 1M1003 |
180~400 |
一端圓錐軸伸 |
 |
1M1002 |
112~160 |
兩端圓柱軸伸 |
| 1M1004 |
180~400 |
兩端圓錐軸伸 |
 |
1M3001 |
112~160 |
一端圓柱軸伸 |
| 1M3003 |
180~315 |
一端圓錐軸伸 |
 |
1M3011 |
112~160 |
一端圓柱軸伸 |
| 1M3013 |
180~315 |
一端圓錐軸伸 |
電動機的軸伸可以按用戶提出的尺寸或要求制造。 傳動方式:電動機采用聯軸器或正齒輪傳動,若采用正齒輪傳動時,其齒輪節圓最小直徑應不少于軸伸直徑的2倍。 電動機定子出線盒位于電動機頂部,可沿電動機兩側方向出線,轉子可以從端蓋的兩側出線。 電動機零部件名稱:如下圖

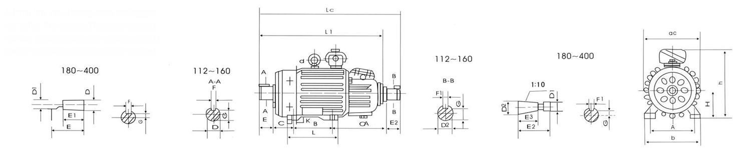
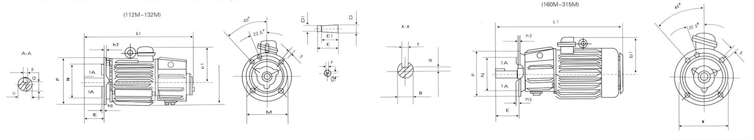
安裝及外型尺寸:
1 YZR系列安裝及外型尺寸:
(1) YZR系列IM1001、IM1003、IM1002、IM1004臥式安裝、機座帶底腳、端蓋上無凸緣的電動機


(2) YZR系列IM3001、IM3003、IM3011、IM3013立式安裝、機座不帶底腳、端蓋上有凸緣的電動機


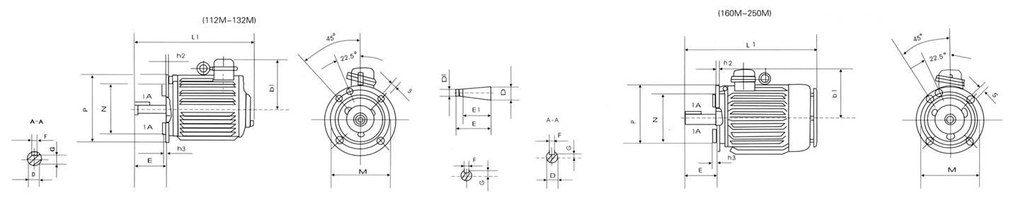
2 YZ系列安裝及外型尺寸:
(1) YZ系列IM1001、IM1003、IM1002、IM1004臥式安裝、機座帶底腳、端蓋上無凸緣的電動機

(2) YZ系列IM3001、IM3003、IM3011、IM3013立式安裝、機座不帶底腳、端蓋上有凸緣的電動機

