| 產品名稱: | M-L71系列小型斷路器 | |||||
| 型號規格: | ![]() |
|||||
| 產品類別: | 金鐘-穆勒 -- 低壓電器 -- 微型斷路器 | |||||
| 參考價格: | 廠價直銷 | |||||
| 產品品牌: | 國產 | |||||
| 產品產地: | 上海 | |||||
| 可供數量: | 批量 | |||||
| 供貨周期: | 現貨(或電詢) | |||||
|
||||||
| 產品簡介: |
|
|||||
M-L71系列小型斷路器技術參數
電氣參數
a.符合電氣標準:EN60898(IEC898) GB10963
b.額定電壓Ue:230V;50/60Hz
c.額定電流In:6-40A
d.額定分斷能力Icn:6kA
e.脫扣特性:C曲線
f.最大可連上的熔斷器:最大100A gL/gG(>6kA)
g.選擇性級別:3
h.工作環境溫度:-5至+40oC
i.防護等級:IP40
j.壽命:不少于8000次通斷動作
機械參數
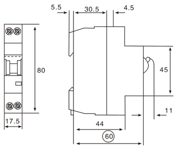
a.外露面長度:45mm
b.外殼高度:80mm NEW
c.外殼寬度:17.5mm(IP+N)
d.安裝方式:符合IEC標準導軌35mm
e.端子形式:提升式接線端子
F.端子接線能力:導線1-16mm2
外形尺寸

| 可對電氣線路的過載與短路起保護作用。 特別適用于民用的照明與插座回路的保護。 中線開斷,更加安全可靠。 |
C特性曲線 | |
| 主要特點: 分斷能力高達6kA; 體積小,1個模數寬; 電流范圍廣,最大可達40A; 不同的手柄顏色用來區別額定電流; 具有專用的母線排 |
額定電流(A)In | 型號 |
| 6 | M-L71-6/1N/C | |
| 10 | M-L71-10/1N/C | |
| 16 | M-L71-16/1N/C | |
| 20 | M-L71-20/1N/C | |
| 25 | M-L71-25/1N/C | |
| 32 | M-L71-32/1N/C | |
| 40 | M-L71-40/1N/C | |