一.概述:
UHZ系列翻柱式磁浮子液位計是以磁浮子為測量元件,磁鋼驅動翻柱顯示,無需能源。適用于低溫到高溫、真空到高壓等各種環境。是石油、化工等工業部門的理想液位測量產品。
磁浮子液位計配置上下限開關輸出可實現遠距離報警、限位控制。配置變送器,可實現液位的遠距離指示、檢測與控制。根據在容器上的安裝位置不同,提供側裝和頂裝兩種方式。根據作介質的不同,提供不銹鋼利ABS工程塑料兩種材質;其中ABS特別適用于酸、堿等腐蝕性介質。
UHZ系列翻柱式磁浮子液位計有如下結構特點:
1、基本型
液位計根據浮力原理,浮子在測量管內隨液位的升降而上下移動,浮子內的永久磁鋼通過磁耦合作用,驅動紅、白色翻柱翻轉180’液位上升時,翻柱由白色轉為紅色,下降時,翻柱由紅色轉為白色,從而實現液位的指示。
2、上下限開關輸出
利用磁性浮子隨液位移動,使安裝在液位計立管設定位置上的簧片開關動作,實現開-關控制或報警。
3、電遠傳
在磁性浮子液位計上安裝變送器。變送器由傳感器和轉換器兩部分組成,它通過磁浮子上下移動,經磁耦合作用使導管內測量元件依次動作,獲得電阻信號變化,傳喚成0~10或4~20mA的標準電流信號輸出,以便與數字顯示儀表或計算機聯接,實現遠傳顯示及控制。
二.型號:
型號舉例:
1、UHZ-58/C233L=2550ρ=1
側裝式,1Cr18Ni9Ti(2.5MPa),基本型,安裝間距2550mm,介質密度ρ:1g/cm3
2、UHZ-58/D232L=2500Ll=3000ρ=0.6
頂裝式,不銹鋼(2.5MPa),帶上、下限開關輸出,測量范圍2500mm,安裝深度3000mm,介質密度0.8g/cm
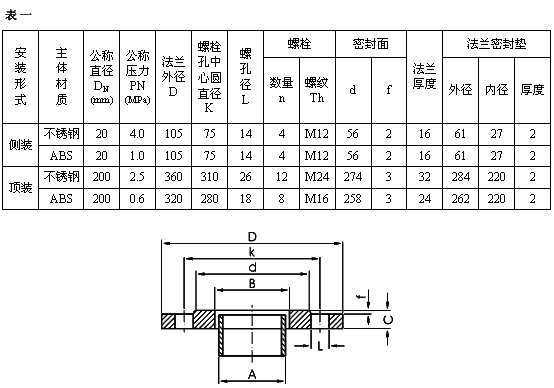
三.主要技術性能:
注:
1、側裝式采用不銹鋼材質時,測量范圍=安裝間距。采用ABS材質時,測量范圍=安裝間距L-150mm。
2、安裝間距(測量范圍)尺寸系列:500,800,1100,1400,1700,2000,2500,3000,3500,4000,4500,5000
四.系統構成及接線:
1、上、下限開關輸出(見圖5)
由具有自保持作用的干簧開關和轉換起組成,干簧開關和轉換器分別安裝于現場和控制室,由轉換器提供3對觸點開關。
2、電遠傳(見圖6)
由測量單元和變送單元兩部分組成。
3、本安防爆型(見圖7)
五.訂貨須知:
1、注明型號規格、測量范圍、安裝深度、介質密度、介質溫度及工作壓力等。
2、用戶如使用JB及HG法蘭或其它規格的法蘭時可專門提出,我廠專業人員將協助選型或設計制造特殊產品。
3、用戶須根據表1自備法蘭及密封墊等連接件。
4、用戶訂購防爆產品時,若需附帶安全柵應予以特別注明。




