| 產品名稱: | TJ型電動滾筒 | |||||
| 型號規格: | ![]() |
|||||
| 產品類別: | 常規產品 -- 機械傳動 -- 電動滾筒 | |||||
| 參考價格: | 廠價直銷 | |||||
| 產品品牌: | 國產 | |||||
| 產品產地: | 上海 | |||||
| 可供數量: | 批量 | |||||
| 供貨周期: | 現貨(或電詢) | |||||
|
||||||
| 產品簡介: |
|
|||||
|
功率kw |
帶速m/s |
最小筒寬B·min/mm |
最大筒寬B·max/mm |
滾筒重量Kg | |
|
最小筒寬 |
每增加100mm | ||||
|
0.10 |
0.15 |
250 |
750 |
9.5 |
1.5 |
|
0.15 |
0.25 | ||||
|
0.225 |
0.50 | ||||
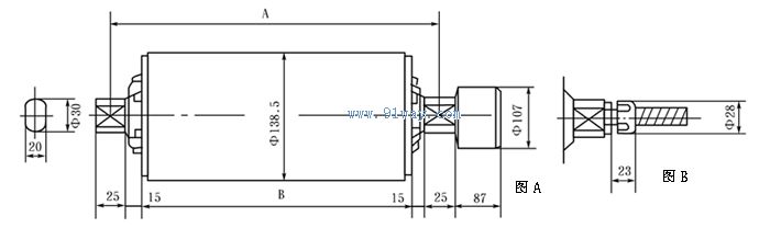
滾筒名義直徑 Ø135mm
|
功率kw |
帶速m/s |
最小筒寬B·min mm |
最大筒寬 B·max mm |
滾筒重量Kg | |
|
最小筒寬 |
每增加100mm | ||||
|
0.18 |
0.16 |
300 |
950 |
22.5 |
2.0 |
|
0.25 |
0.20 0.25 | ||||
|
0.37 |
0.32 0.40 0.50 | ||||
|
0.55 |
0.63 0.80 1.00 | ||||
注:圖A為接線盒接線裝置 圖B是軟線接線裝置
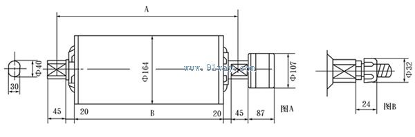
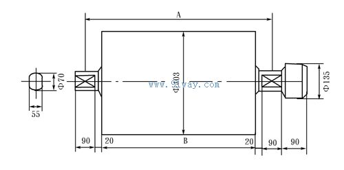
滾筒名義直徑 Ø160mm
|
功率 kw |
帶速 m/s |
最小筒寬B·min mm |
最大筒寬 B·max mm |
滾筒重量Kg | |
|
最小筒寬 |
每增加100mm | ||||
|
0.11 |
0.06 0.08 0.10 |
400 |
950 |
32.5 |
2.5 |
|
0.25 |
0.10 0.13 0.16 0.20
0.25 0.32 0.40 0.50 | ||||
|
0.37 |
0.13 0.16 0.20 0.25
0.32 0.40 0.50 0.63
0.80 1.00 | ||||
|
0.75 |
0.25 0.32 0.40 0.50
0.63 0.80 1.00 |
35.5 | |||
|
1.10 |
0.40 0.50 0.63 0.80
1.00 1.25 1.60 2.00 | ||||

A=B+82配KL40型支座
注:圖A為接線盒接線裝置 圖B是軟線接線裝置
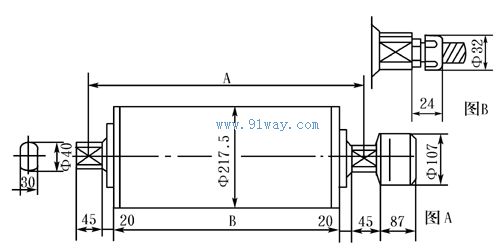
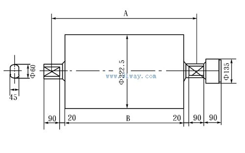
滾筒名義直徑 Ø215mm
|
功率kw |
帶速m/s |
最小筒寬B·min mm |
最大筒寬 B·max mm |
滾筒重量Kg | |
|
最小筒寬 |
每增加100mm | ||||
|
0.11 |
0.08 0.10 0.13 |
400 |
950 |
60 |
4 |
|
0.25 |
0.13 0.16 0.20 0.25 0.32
0.40 0.50 0.63 | ||||
|
0.37 |
0.16 0.20 0.25 0.32 0.40
0.50 0.63 0.80 1.00 1.25 | ||||
|
0.75 |
0.25 |
500 |
950 |
62 | |
|
0.32 0.40 0.50 0.63 0.80
1.00 1.25 1.60 2.00 2.50 |
400 |
950 |
60 | ||
|
1.1 |
0.50 0.63 0.80 1.00
1.25 1.60 2.00 2.50 |
400 |
950 | ||
|
1.5 |
0.40 0.50 0.63 0.80 1.00
1.25 1.60 2.00 2.50 |
500 |
950 | ||
|
2.2 |
0.50 0.63 0.80 1.00
1.25 1.60 2.00 2.50 |
500 |
950 | ||
|
3.0 |
1.00 1.25 1.60 2.00 2.50 |
500 |
950 |
64 | |

A=B+82配KL40型支座
注:圖A為接線盒接線裝置 圖B是軟接線裝置
滾筒名義直徑 Ø315mm
|
功率kw |
帶速m/s |
最小筒寬B·min mm |
最大筒寬 B·max mm |
滾筒重量Kg | |
|
最小筒寬 |
每增加100mm | ||||
|
1.5 |
0.25 0.32 0.40 0.50
0.63 0.80 1.00 1.25 |
500 |
1150 |
113 |
7 |
|
2.2 |
0.40 0.50 0.63 0.80 1.00
1.25 1.60 2.00 2.50 | ||||
|
3.0 |
0.50 0.63 0.80 1.00 1.25
1.60 2.00 2.50 3.20 | ||||
|
4.0 |
0.80 1.00 1.25 1.60
2.00 2.50 3.20 |
123 | |||
|
5.5 |
1.00 1.25 1.60 2.00 2.50
3.20 | ||||
滾筒名義直徑 Ø400mm
|
功率kw |
帶速m/s |
最小筒寬B·min mm |
最大筒寬 B·max mm |
滾筒重量Kg | |
|
最小筒寬 |
每增加100mm | ||||
|
1.5 |
0.50 0.63 0.80 1.00 1.25
1.60 |
500 |
1150 |
123 |
10 |
|
2.2 |
0.80 1.00 1.25 1.60 2.00
2.50 3.20 | ||||
|
3.0 |
1.25 1.60 2.00 2.50
3.20 4.00 | ||||
|
4.0 |
1.25 1.60 2.00 2.50
3.20 4.00 |
147 | |||
|
5.5 |
2.00 2.50 3.20 4.00 |
160 | |||
|
功率kw |
帶速m/s |
最小筒寬B·min mm |
最大筒寬 B·max mm |
滾筒重量Kg | |
|
最小筒寬 |
每增加100mm | ||||
|
2.2 |
0.32 0.40 0.50 0.63 |
600 |
1150 |
207 |
12 |
|
3.0 |
0.50 0.63 |
700 |
1150 | ||
|
0.80 1.00 |
600 |
1150 | |||
|
4.0 |
0.63 0.80 1.00 |
600 |
1150 | ||
|
5.5 |
0.80 1.00 1.25 1.60 |
600 |
1150 | ||
|
7.5 |
1.00 1.25 1.60 |
700 |
1150 | ||
|
2.00 2.50 3.20 |
600 | ||||
滾筒名義直徑 Ø500mm
|
功率kw |
帶速m/s |
最小筒寬B·min mm |
最大筒寬 B·max mm |
滾筒重量Kg | |
|
最小筒寬 |
每增加100mm | ||||
|
1.5 |
0.63 0.80 1.00 1.25 1.60 |
600 |
1600 |
280 |
14 |
|
2.2 |
0.63 0.80 1.00 1.25 1.60
2.00 | ||||
|
3.0 |
0.80 |
700 |
1600 | ||
|
1.00 1.25 1.60 2.00 2.50 |
600 | ||||
|
4.0 |
1.00 1.25 1.60 2.00 2.50
3.20 |
600 |
1600 | ||
|
5.5 |
1.25 1.60 2.00 2.50 3.20 |
600 |
1600 | ||
|
7.5 |
2.00 |
700 |
1600 | ||
|
2.50 3.20 |
600 | ||||
|
功率kw |
帶速m/s |
最小筒寬B·min mm |
最大筒寬 B·max mm |
滾筒重量Kg | |
|
最小筒寬 |
每增加100mm | ||||
|
4.0 |
0.50 0.63 0.80 |
750 |
1600 |
450 |
15 |
|
5.5 |
0.50 0.63 0.80 |
750 |
1600 | ||
|
5.5 |
1.00 |
650 |
1600 | ||
|
7.5 |
0.63 0.80 |
850 |
1600 | ||
|
1.00 1.25 1.60 |
750 |
1600 | |||
|
11 |
1.00 1.25 1.60 2.00 2.50 3.20 |
750 |
1600 | ||
|
15 |
1.25 1.60 2.00 2.50 3.20 |
850 |
1600 | ||
|
18.5 |
1.60 2.00 2.50 3.20 |
850 |
1600 | ||
滾筒名義直徑 Ø630mm
|
功率kw |
帶速m/s |
最小筒寬B·min mm |
最大筒寬 B·max mm |
滾筒重量Kg | |
|
最小筒寬 |
每增加100mm | ||||
|
3.0 |
0.63 0.80 1.00 |
750 |
1600 |
450 |
28 |
|
1.25 |
650 | ||||
|
4.0 |
0.63 0.80 1.00 |
750 |
1600 | ||
|
1.25 1.60 2.00 |
650 | ||||
|
5.5 |
0.63 0.80 1.00 |
750 |
1600 | ||
|
1.25 1.60 2.00 2.50 3.20 |
650 | ||||
|
7.5 |
0.80 1.00 |
850 |
1600 | ||
|
1.25 1.60 2.00 |
750 |
1600 | |||
|
2.50 3.20 |
650 |
1600 | |||
|
11 |
1.25 1.60 2.00 2.50 3.20 4.00 |
750 |
1600 | ||
|
15 |
1.60 2.00 2.50 3.20 4.00 |
850 |
1600 | ||
|
18.5 |
2.00 2.50 3.20 |
850 |
1600 | ||
|
功率kw |
帶速m/s |
最小筒寬B·min mm |
最大筒寬 B·max mm |
滾筒重量Kg | |
|
最小筒寬 |
每增加100mm | ||||
|
11 |
0.80 1.00 |
950 |
1600 |
680 |
30 |
|
15 |
0.80 1.00 1.25 | ||||
|
18.5 |
0.80 1.00 1.25 1.60 2.00 | ||||
|
22 |
1.00 1.25 1.60 2.00 2.50 3.20 | ||||
|
30 |
1.25 1.60 2.00 2.50 3.20 | ||||
|
37 |
1.60 2.00 2.50 3.20 | ||||
|
45 |
2.00 2.50 3.20 |
1000 |
1600 | ||