1 用途
DS-20系列時間繼電器,作為輔助元件用于各種保護和自動線路中,使被控元件的動作得到可調的延時。
2 DS-20系列時間繼電器工作原理和結構
2.1 繼電器為帶有延時的吸入式電磁繼電器。繼電器具有一付瞬時轉換觸點,一付滑動延時動合主觸點和一付終止延時動合主觸點。
2.2 當電壓加在繼電器線圈兩端時,唧子(鐵芯)被吸入,瞬時動合觸點閉合,瞬時動斷觸點斷開,同時延時機構開始起動。在延時機構拉力彈簧的作用下,經過整定時間后,滑動觸點閉合。再經過一定時間后,終點觸點閉合。從電壓加到線圈的瞬間起,到延時動合觸點閉合止的這一段時間,可借移動靜觸點的位置一調整之,并由指針直接在繼電器的標度盤上指明。當線圈斷電時,唧子和延時機構在塔形反力彈簧的作用力下,瞬時返回到原來的位置。
2.3 繼電器有兩種結構:
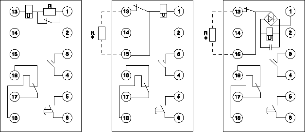
2.3.1 凸出式插拔結構。采用阿繼JK-1型殼體,其外形圖及開孔圖見《附錄》Ⅰ,繼電器內部接線見圖1。
2.3.2 嵌入式插拔結構(型號中帶/Q)。采用許繼A11K殼體,其外形圖及開孔圖見《附錄》Ⅱ,繼電器內部接線見圖2。
2.3.3 若需將板后接線方式改為板前接線方式,應加板前接線座與中框,見《附錄》Ⅱ。

圖1 凸出式內部接線圖 *R為外接電阻(附件) 依此為:DS-21-24 DS-21/C-24/C DS-25-28

圖2 嵌入式內部接線圖 *R為外接電阻(附件) 依此為 DS-21/Q~DS-24/Q DS-21C/Q~DS-24C/Q DS-20/Q~DS-28/Q
點擊上圖查看大圖
3 型號規格(見表1)
|
型號 |
時間整定范圍(S) |
直流額定電壓(V) |
交流額定電壓(V) |
|
DS-21,DS-21/C |
0.2-1.5 |
24,48,110,220 |
|
|
DS-22,DS-22/C |
1.2-5 |
|
DS-23,DS-23/C |
2.5-10 |
|
DS-24,DS-24/C |
5-20 |
|
DS-25 |
0.2-1.5 |
|
110,127,220,380 |
|
DS-26 |
1.2-5 |
|
DS-27 |
2.5-10 |
|
DS-28 |
5-20 |
注:C為長期帶電型
4 DS-20系列時間繼電器技術數據
4.1 繼電器的動作值:對于直流繼電器不大于70%的額定電壓;對于長期帶電的直流繼電器不大于75%的額定電壓;對于交流繼電器不大于85%的額定電壓。
4.2 繼電器的返回值:不大于5%的額定電壓。
4.3 繼電器的主觸點的延時一致性,不大于表2中的規定。
|
延時整定范圍(s) |
延時一致性(s) |
|
0.2-1.5 |
0.07 |
|
1.2-5 |
0.16 |
|
2.5-10 |
0.26 |
|
5-20 |
0.5 |
注:1) 延時一致性系指在同一時間整定點上,測量10次中最大和最小動作時間之差。
2) 1、2、3條中規定的參數系環境溫度為+20oCK2oC的條件下測試。
4.4 繼電器主觸點延時整定值平均誤差應符合下列規定:最大延時整定值小于5s的平均誤差不超過K10%,其余為K5%。
4.5 熱穩定性:當周圍介質溫度為+40oC時,對于直流繼電器的線圈耐受110%額定電壓歷時1min,線圈溫升不超過65K;對于交流繼電器的線圈耐受110%額定電壓歷時1min,線圈溫升不超過65K;對于長期帶電直流繼電器的線圈長期耐受110%額定電壓,線圈溫升不超過65K。
4.6 額定電壓下的功率消耗:對于直流繼電器不大于10W,對于交流繼電器不大于35VA,對于長期帶電直流繼電器不大于7.5W。
4.7 觸點斷開容量:在電壓不大于250V、電流不大于1A、時間常數不超過0.005s的直流有感負荷電路中,主觸點和瞬動觸點的斷開容量為50W。
4.8 延時主觸點長期允許通過電流為5A。
4.9 介質強度:繼電器導電部分與非導電部分之間,以及線圈電路與觸點電路之間,能耐受交流50Hz,電壓2kV,歷時1min試驗無擊穿和閃絡現象。
4.10 電壽命:5000次。
4.11 繼電器在環境溫度為-20oC到+40oC的范圍內可靠的工作。
4.12 繼電器重量:不大于0.7Kg。
5 訂貨須知
訂貨時應指明
5.1 繼電器的名稱和型號;
5.2 額定參值;
5.3 訂貨數量。
5.4 交貨方式。