| 本文介紹的電子變壓器,輸入為AC220V,輸出為AC12V,功率可達50W。它主要是在高頻電子鎮流器電路的基礎上研制出來的一種變壓器電路,其性能穩定,體積小,功率大,因而克服了傳統的硅鋼片變壓器體大、笨重、價高等缺點。

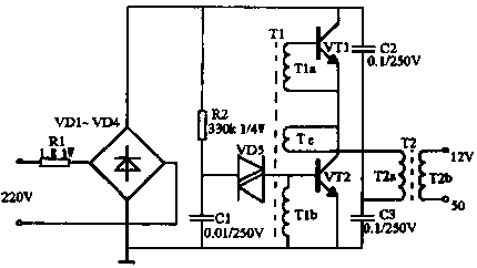
電路如圖所示。其工作原理與開關電源相似,二極管VD1~VD4構成整流橋把市電變成直流電,由振蕩變壓器T1,三極管VT1、VT2組成的高頻振蕩電路,將脈動直流變成高頻電流,然后由鐵氧體輸出變壓器T2對高頻高壓脈沖降壓,獲得所需的電壓和功率。R1為限流電阻。電阻R2、電容C1和雙向觸發二極管VD5構成啟動觸發電路。 三極管VT1、VT2選用S13005,其B為15~2 0倍。也可用C3093等BUceo>=35OV的大功率三極管。觸發二極管VD5選用32V左右的DB3或VR60。振蕩變壓器可自制,用音頻線繞制在 H7 X 10 X 6的磁環上。TIa、T1b繞3匝,Tc繞1匝。鐵氧體輸出變壓器T2也需自制,磁心選用邊長27mm、寬20mm、厚10mm的EI型鐵氧體。T2a用直徑為0.45mm高強度漆包線繞100匝,T2b用直徑為1.25mm高強度漆包線繞8匝。 二極管VD1~VD4選用 IN4007型,雙向觸發二極管選用DB3型,電容C1~C3選用聚丙聚酯滌綸電容,耐壓250V。
電路工作時,A點工作電壓約為12V;B點約為25V;C點約為105V;D點約為10V。如果電壓不滿足上述數值,或電路不振蕩,則應檢查電路有無錯焊、漏焊或虛焊。然后再檢查VT1、VT2是否良好,T1a、T1b的相位是否正確。整個電路裝調成功后,可裝入用金屬材料制作的小盒內,發利于屏蔽和散熱,但必須注意電路與外殼的絕緣。引外,改變T2 a、b二線圈的匝數,則可改變輸出的高頻電壓。
|