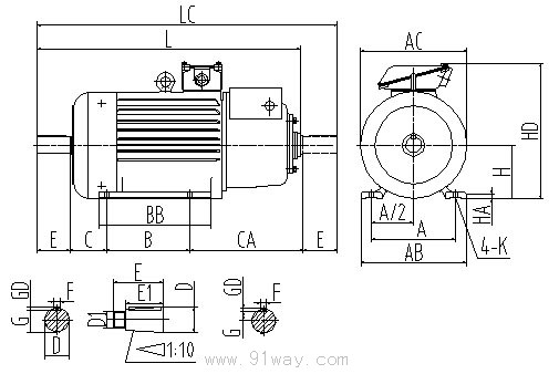
| IM1001 IM1003及IM1002 IM1004臥式安裝機座帶底腳端蓋無凸緣的電動機 YZR112~400

|
機座號 |
安裝尺寸及公差 Mounting Dimension & Tolerance |
外型尺寸 overall dimensions |
|
H |
A |
A/2 |
B |
左右B |
C |
左右C |
CA |
K |
螺栓 |
D |
D1 |
E |
E1 |
鍵 Key |
鍵槽 Key way |
AC |
AB |
HD |
BB |
L |
LC |
HA |
|
尺寸 |
極限偏差 |
尺寸 |
極限偏差 |
尺寸 |
極限偏差 |
尺寸 |
極限偏差 |
之差 |
尺寸 |
極限偏差 |
之差 |
尺寸 |
極限偏差 |
直徑 |
尺寸 |
極限偏差 |
尺寸 |
極限偏差 |
F(h9) |
GD |
F(N9) |
G |
|
Frame |
|
|
|
尺寸 |
極限偏差 |
尺寸 |
極限偏差 |
尺寸 |
極限偏差 |
尺寸 |
極限偏差 |
|
|
|
|
|
|
|
|
|
|
|
|
|
|
|
|
|
|
|
|
|
|
|
|
|
|
|
|
|
|
|
|
|
112M |
112 |
|
190 |
|
95 |
|
140 |
|
0.70 |
70 |
±2.0 |
0.3 |
300 |
12 |
|
M10 |
32 |
|
|
80 |
|
|
10 |
|
8 |
|
10 |
|
27 |
|
245 |
250 |
330 |
235 |
590 |
670 |
15 |
|
132M |
132 |
|
216 |
108 |
178 |
89 |
|
38 |
|
|
|
|
33 |
|
285 |
275 |
360 |
260 |
645 |
727 |
17 |
|
160M |
160 |
|
254 |
|
127 |
|
210 |
|
1.05 |
108 |
±3.0 |
0.45 |
330 |
15 |
|
M12 |
48 |
|
110 |
|
14 |
|
9 |
|
14 |
|
42.5 |
|
325 |
320 |
420 |
290 |
758 |
868 |
20 |
|
160L |
0 |
254 |
|
|
|
|
|
|
335 |
800 |
912 |
|
180L |
180 |
-0.5 |
279 |
139.5 |
279 |
121 |
360 |
|
55 |
|
M36×3 |
82 |
|
|
|
19.9 |
|
360 |
360 |
460 |
380 |
870 |
980 |
22 |
|
200L |
200 |
|
318 |
159 |
305 |
133 |
400 |
19 |
|
M16 |
60 |
M42×3 |
140 |
|
105 |
16 |
|
10 |
|
16 |
|
21.4 |
|
405 |
405 |
510 |
400 |
975 |
1118 |
25 |
|
225M |
225 |
|
356 |
178 |
311 |
149 |
±4.0 |
450 |
|
65 |
|
|
|
23.9 |
|
430 |
455 |
545 |
410 |
1050 |
1190 |
28 |
|
250M |
250 |
|
406 |
|
203 |
|
349 |
|
1.40 |
168 |
0.6 |
540 |
24 |
|
M20 |
70 |
M48×3 |
18 |
|
11 |
|
18 |
|
25.4 |
|
480 |
515 |
605 |
510 |
1195 |
1337 |
30 |
|
280S |
280 |
|
457 |
228.5 |
368 |
190 |
|
85 |
M56×4 |
170 |
130 |
20 |
|
12 |
|
20 |
|
31.7 |
|
535 |
575 |
665 |
530 |
1265 |
1438 |
32 |
|
280M |
|
419 |
|
|
|
|
|
580 |
1315 |
1489 |
|
315S |
315 |
|
508 |
254 |
406 |
216 |
600 |
28 |
|
M24 |
95 |
M64×4 |
22 |
|
14 |
|
22 |
|
35.2 |
|
620 |
640 |
750 |
1390 |
1562 |
35 |
|
315M |
0 |
457 |
|
|
|
|
|
630 |
1440 |
1613 |
|
355M |
355 |
-1.0 |
610 |
305 |
560 |
254 |
630 |
|
110 |
M80×4 |
210 |
|
165 |
25 |
|
|
25 |
|
41.9 |
|
710 |
740 |
840 |
730 |
1650 |
1864 |
38 |
|
355L |
|
630 |
|
|
|
|
|
800 |
1720 |
1934 |
|
400L |
400 |
|
686 |
|
343 |
|
710 |
|
1.75 |
280 |
0.75 |
35 |
|
M30 |
130 |
M100×4 |
250 |
200 |
28 |
|
16 |
|
28 |
|
50 |
|
840 |
815 |
975 |
825 |
1895 |
2120 |
45 |
|
|
0 |
|
|
|
|
IM1001 IM1003及IM1002 IM1004臥式安裝機座帶底腳端蓋無凸緣的電動機 YZ112~250

|
機座號 |
安裝尺寸及公差 Mounting Dimension & Tolerance |
外型尺寸 overall dimensions |
|
H |
A |
A/2 |
B |
左右B |
C |
左右C |
CA |
K |
螺栓 |
D |
D1 |
E |
E1 |
鍵 Key |
鍵槽 Key way |
AC |
AB |
HD |
BB |
L |
LC |
HA |
|
尺寸 |
極限偏差 |
尺寸 |
極限偏差 |
尺寸 |
極限偏差 |
尺寸 |
極限偏差 |
之差 |
尺寸 |
極限偏差 |
之差 |
尺寸 |
極限偏差 |
直徑 |
尺寸 |
極限偏差 |
尺寸 |
極限偏差 |
F(h9) |
GD |
F(N9) |
G |
|
Frame |
|
|
|
尺寸 |
極限偏差 |
尺寸 |
極限偏差 |
尺寸 |
極限偏差 |
尺寸 |
極限偏差 |
|
|
|
|
|
|
|
|
|
|
|
|
|
|
|
|
|
|
|
|
|
|
|
|
|
|
|
|
|
|
|
|
|
112M |
112 |
|
190 |
|
95 |
|
140 |
|
0.70 |
70 |
|
0.3 |
135 |
12 |
|
M10 |
32 |
|
|
80 |
±0.37 |
|
10 |
0 |
8 |
|
10 |
|
27 |
|
245 |
250 |
330 |
235 |
420 |
505 |
15 |
|
132M |
132 |
|
216 |
108 |
178 |
89 |
150 |
|
38 |
|
-0.036 |
|
|
33 |
|
285 |
275 |
360 |
260 |
495 |
577 |
17 |
|
160M |
160 |
|
254 |
|
127 |
|
210 |
|
1.05 |
108 |
|
0.45 |
180 |
15 |
|
M12 |
48 |
|
110 |
±0.43 |
14 |
|
9 |
|
14 |
|
42.5 |
|
325 |
320 |
420 |
290 |
608 |
718 |
20 |
|
160L |
0 |
254 |
|
|
|
|
|
|
335 |
650 |
762 |
|
180L |
180 |
-0.5 |
279 |
139.5 |
279 |
121 |
|
55 |
|
M36×3 |
82 |
|
|
|
19.9 |
0 |
360 |
360 |
460 |
380 |
685 |
800 |
22 |
|
200L |
200 |
|
318 |
159 |
305 |
133 |
210 |
19 |
|
M16 |
60 |
M42×3 |
140 |
±0.50 |
105 |
16 |
0 |
10 |
|
16 |
|
21.4 |
-0.2 |
405 |
405 |
510 |
400 |
780 |
928 |
25 |
|
225M |
225 |
|
356 |
178 |
311 |
149 |
|
258 |
|
65 |
-0.043 |
|
|
23.9 |
|
430 |
455 |
545 |
410 |
850 |
998 |
28 |
|
250M |
250 |
|
406 |
|
203 |
|
349 |
|
1.40 |
168 |
0.60 |
295 |
24 |
0 |
M20 |
70 |
M48×3 |
18 |
|
11 |
|
18 |
|
25.4 |
|
480 |
515 |
605 |
510 |
935 |
1092 |
30 |
|
|
|
IM3001及IM3003臥式安裝機座不帶底腳端蓋有凸緣的電動機 YZR112~180

|
機座號 |
安裝尺寸及公差 Mounting Dimension & Tolerance |
|
|
凸緣代號 |
M |
N |
P |
LA |
T |
S |
螺栓 screw |
D |
D1 |
E |
E1 |
鍵 Key |
鍵槽 Key way |
L |
LB |
AD |
|
尺寸 |
極限偏差 |
尺寸 |
極限偏差 |
直徑 |
數量 |
尺寸 |
極限偏差 |
尺寸 |
極限偏差 |
F(h9) |
GD |
F(N9) |
G |
|
|
尺寸 |
極限偏差 |
尺寸 |
極限偏差 |
尺寸 |
極限偏差 |
尺寸 |
極限偏差 |
|
|
|
|
|
|
|
|
|
|
|
|
|
|
|
|
|
|
|
|
|
|
|
112M |
F215 |
215 |
180 |
+0.014 |
250 |
14 |
4 |
15 |
+0.43 |
M12 |
4 |
32 |
|
|
80 |
±0.37 |
|
10 |
0 |
8 |
|
10 |
0 |
27 |
|
595 |
515 |
220 |
|
-0.011 |
0 |
+0.018 |
-0.036 |
|
-0.036 |
|
|
132M |
F265 |
265 |
230 |
|
300 |
|
38 |
+0.002 |
|
0 |
|
33 |
0 |
645 |
565 |
230 |
|
160M |
F300 |
300 |
250 |
+0.016 |
350 |
18 |
5 |
19 |
+0.52 |
M16 |
48 |
|
110 |
±0.43 |
14 |
0 |
9 |
-0.09 |
14 |
0 |
42.5 |
-0.2 |
828 |
718 |
250 |
|
160L |
-0.013 |
0 |
|
-0.043 |
|
-0.043 |
|
872 |
762 |
|
180L |
|
|
55 |
|
M36×3 |
82 |
|
|
|
19.9 |
|
915 |
805 |
280 |
IM3001及IM3003臥式安裝機座不帶底腳端蓋有凸緣的電動機 YZ112~180

|
機座號 |
安裝尺寸及公差 Mounting Dimension & Tolerance |
|
|
凸緣代號 |
M |
N |
P |
LA |
T |
S |
螺栓 screw |
D |
D1 |
E |
E1 |
鍵 Key |
鍵槽 Key way |
L |
LB |
AD |
|
尺寸 |
極限偏差 |
尺寸 |
極限偏差 |
直徑 |
數量 |
尺寸 |
極限偏差 |
尺寸 |
極限偏差 |
F(h9) |
GD |
F(N9) |
G |
|
|
尺寸 |
極限偏差 |
尺寸 |
極限偏差 |
尺寸 |
極限偏差 |
尺寸 |
極限偏差 |
|
|
|
|
|
|
|
|
|
|
|
|
|
|
|
|
|
|
|
|
|
|
|
112M |
F215 |
215 |
180 |
+0.014 |
250 |
14 |
4 |
15 |
+0.43 |
M12 |
4 |
32 |
|
|
80 |
±0.37 |
|
10 |
0 |
8 |
|
10 |
0 |
27 |
|
430 |
350 |
220 |
|
-0.011 |
0 |
+0.018 |
-0.036 |
|
-0.036 |
|
|
132M |
F265 |
265 |
230 |
|
300 |
|
38 |
+0.002 |
|
0 |
|
33 |
0 |
495 |
415 |
230 |
|
160M |
F300 |
300 |
250 |
+0.016 |
350 |
18 |
5 |
19 |
+0.52 |
M16 |
48 |
|
110 |
±0.43 |
14 |
0 |
9 |
-0.09 |
14 |
0 |
42.5 |
-0.2 |
700 |
590 |
250 |
|
160L |
-0.013 |
0 |
|
-0.043 |
|
-0.043 |
|
743 |
633 |
|
180L |
|
|
55 |
|
M36×3 |
82 |
|
|
|
19.9 |
|
735 |
625 |
280 |
IM3011及IM3013立式安裝機座不帶底腳端蓋有凸緣的電動機 YZR112~315

|
機座號 |
安裝尺寸及公差 Mounting Dimension & Tolerance |
|
|
凸緣代號 |
M |
N |
P |
LA |
T |
S |
螺栓 screw |
D |
D1 |
E |
E1 |
鍵 Key |
鍵槽 Key way |
L |
LB |
AD |
|
尺寸 |
極限偏差 |
尺寸 |
極限偏差 |
直徑 |
數量 |
尺寸 |
極限偏差 |
尺寸 |
極限偏差 |
F(h9) |
GD |
F(N9) |
G |
|
|
|
尺寸 |
極限偏差 |
尺寸 |
極限偏差 |
尺寸 |
極限偏差 |
尺寸 |
極限偏差 |
|
|
|
|
|
|
|
|
|
|
|
|
|
|
|
|
|
|
|
|
|
|
|
|
|
|
|
|
112M |
F215 |
215 |
180 |
+0.014 |
250 |
14 |
4 |
15 |
+0.43 |
M12 |
4 |
32 |
|
|
80 |
±0.37 |
|
10 |
0 |
8 |
|
10 |
0 |
27 |
|
595 |
515 |
220 |
|
-0.011 |
0 |
+0.018 |
-0.036 |
|
-0.036 |
|
|
132M |
F265 |
265 |
230 |
+0.016 -0.013 |
300 |
|
38 |
+0.002 |
|
0 |
|
33 |
|
645 |
565 |
230 |
|
160M |
F300 |
300 |
250 |
350 |
18 |
5 |
19 |
|
M16 |
48 |
|
110 |
±0.43 |
14 |
|
9 |
-0.09 |
14 |
|
42.5 |
|
828 |
718 |
250 |
|
160L |
|
|
|
|
|
|
872 |
762 |
|
180L |
|
55 |
|
M36×3 |
82 |
0 |
|
0 |
19.9 |
0 |
915 |
805 |
280 |
|
200L |
F400 |
400 |
350 |
±0.018 |
450 |
20 |
|
8 |
60 |
M42×3 |
140 |
±0.50 |
105 |
16 |
-0.043 |
10 |
|
16 |
-0.043 |
21.4 |
-0.2 |
1050 |
910 |
320 |
|
225M |
+0.52 |
65 |
|
|
|
23.9 |
|
1110 |
970 |
|
250M |
F500 |
500 |
450 |
±0.020 |
550 |
22 |
0 |
70 |
M48×3 |
18 |
|
11 |
|
18 |
|
25.4 |
|
1266 |
1126 |
355 |
|
280S |
|
85 |
M56×3 |
170 |
130 |
20 |
|
12 |
|
20 |
|
31.7 |
|
1370 |
1200 |
385 |
|
280M |
|
0 |
0 |
0 |
|
1420 |
1250 |
|
315S |
F600 |
600 |
550 |
±0.022 |
660 |
25 |
6 |
24 |
|
M20 |
95 |
M64×3 |
22 |
-0.052 |
14 |
-0.11 |
22 |
-0.052 |
35.2 |
|
1475 |
1305 |
435 |
|
315M |
|
|
|
|
|
1525 |
1355 |
IM3011及IM3013立式安裝機座不帶底腳端蓋有凸緣的電動機 YZ112~250

|
機座號 |
安裝尺寸及公差 Mounting Dimension & Tolerance |
|
凸緣代號 |
M |
N |
P |
LA |
T |
S |
螺栓 screw |
D |
D1 |
E |
E1 |
鍵 Key |
鍵槽 Key way |
|
尺寸 |
極限偏差 |
尺寸 |
極限偏差 |
直徑 |
數量 |
尺寸 |
極限偏差 |
尺寸 |
極限偏差 |
F(h9) |
GD |
F(N9) |
G |
|
|
尺寸 |
極限偏差 |
尺寸 |
極限偏差 |
尺寸 |
極限偏差 |
尺寸 |
極限偏差 |
|
|
|
|
|
|
|
|
|
|
|
|
|
|
|
|
|
|
|
|
|
|
|
112M |
F215 |
215 |
180 |
+0.014 |
250 |
14 |
4 |
15 |
+0.43 |
M12 |
4 |
32 |
|
|
80 |
±0.37 |
|
10 |
0 |
8 |
|
10 |
0 |
27 |
|
|
|
|
|
|
-0.011 |
|
0 |
|
+0.018 |
-0.036 |
|
-0.036 |
|
|
|
132M |
F265 |
265 |
230 |
|
300 |
|
38 |
+0.002 |
|
0 |
|
33 |
|
|
160M |
F300 |
300 |
250 |
+0.016 |
350 |
18 |
5 |
19 |
|
M16 |
48 |
|
110 |
±0.43 |
14 |
|
9 |
-0.09 |
14 |
|
42.5 |
|
|
160L |
-0.013 |
|
|
|
|
|
0 |
|
180L |
|
+0.52 |
55 |
|
M36×3 |
82 |
0 |
|
0 |
19.9 |
-0.2 |
|
200L |
F400 |
400 |
350 |
±0.018 |
450 |
20 |
0 |
8 |
60 |
M42×3 |
140 |
±0.50 |
105 |
16 |
-0.043 |
10 |
|
16 |
-0.043 |
21.4 |
|
|
225M |
|
65 |
|
|
|
23.9 |
|
|
250M |
F500 |
500 |
450 |
±0.020 |
550 |
22 |
|
70 |
M48×3 |
18 |
|
11 |
0 |
18 |
|
25.4 |
|
|
|
|
-0.11 |
|